Monograph [1/5] in English and Polish
(bilingual: in English For English version click on this flag and Polish Dla polskiej wersji kliknij na ta flage)
Updated: 2025/1/18
Most recent update: Menus



Menu 1:

(Choice of language:)


(Organising:)

Homepage

Links

Menu 2

Menu 4

FAQ

Text [11] in PDF


(In English:)

Monograph [1/5]:

Source replica of this page

Monograph [1/4]:
E, 1, 2, 3, P, X

X text [1e]

Text [1e]: 1, 2, 3

Text [10]

X text [2e]

Text [2e]: 1, 2, 3

Text [5/3]

Text [6/2]

Text [7]

Text [7/2]

Text [8e]

Text [8e/2]

Text [11] in PDF

The Great Purification of 2030s

Drinking rainwater

Solar energy

Free energy

Telekinetic cell

Sonic boiler

Telekinetics

Zero pollution cars

Telekinesis

Telekinesis Free Zone

Telepathy

Earthquake

Seismograph

Artefact

Concept of Dipolar Gravity

Scientific Theory of Everything of 1985

Totalizm1985

Totalizm2020

Parasitism1985

Karma

Moral laws

Nirvana

Theory of Life of 2020

Proof of soul

Time vehicles

Immortality

Propulsion

Magnocraft

Oscillatory Chamber

Military use of magnocraft

Tapanui

New Zealand

New Zealand attractions

Evidence of UFO activities

UFO photographs

Cloud-UFOs

Bandits amongst us

Tornado

Hurricanes

Katrina

Landslides

Demolition of hall in Katowice

Predators

26th day

Petone

Prophecies

Plague

Changelings

WTC

Columbia

Aliens

UFOnauts

Formal proof for the existence of UFOs

Evil

Antichrist

About God

Proof for the existence of God

God's methods

The Bible

Free will

Truth

Dr Pajak portfolio

Videos with me

"Smart" TVs

About me (Dr Eng. Jan Pajak)

Old "about me"

My job search

Aleksander Możajski

Pigs from Chinese zodiac

Pigs Photos

Healing

Tropical fruit

Fruit folklore

Food handling

Evolution of humans

All-in-one

Greek keyboard

Russian keyboard

Solving Rubik's cube 3x3=9

Solving Rubik's cube 4x4=16

Song playlists for TV and PC

Instruction for song playlists

NZ Driving Licence advice

Wrocław

Malbork

Milicz

Battle of Milicz

St. Andrea Bobola

Village Cielcza

Village Stawczyk

Wszewilki

Wszewilki of tomorrow

Korea

Hosta

1964 class of Ms Hass in Milicz

TUWr graduates 1970

Lectures 1999

Lectures 2001

Lectures 2004

Lectures 2007

Better humanity

Pajak for parliament 2014

Pajak regarding 2017

Pajak for parliament 2017

Party of totalizm

Party of totalizm statute

FAQ - questions

Replicate

Memorial

Sabotages

Index of content with links

Menu 2

Menu 4

Source replica of page menu

Text [13] in PDF

Text [11] in PDF

Text [8e/2]

Text [8e]

Text [7]

Text [7/2]

Text [6/2]

Text [5/3]

Figs [5/3]

Text [2e]

Figures [2e]: 1, 2, 3

Text [1e]

Figures [1e]: 1, 2, 3

X text [1/4]

Monograph [1/4]:
E, 1, 2, 3, P, X

Monograph [1/5]




(Po polsku:)

Monografia [1/5]:

Źródłowa replika tej strony

Monografia [1/4]:
P, 1, 2, 3, E, X

Tekst [1/3]: 1, 2, 3

Tekst [2]

Tekst [3b]

Tekst [4b]

Tekst [4c]: 1, 2, 3

Tekst [5/4] 1, 2, 3

Tekst [6/2]

Tekst [7]

Tekst [7/2]

Tekst [7b]

Tekst [8p]

Tekst [8p/2]

Tekst [10] w PDF

Tekst [11] w PDF

Wymieranie lat 2030-tych

Pitna woda deszczowa

Energia słoneczna

Darmowa energia i perpetuum mobile

Telekinetyczne ogniwo

Grzałka soniczna

Telekinetyka

Samochody bez spalin

Telekineza

Strefa wolna od telekinezy

Telepatia

Trzęsienia ziemi

Sejsmograf

Artyfakt

Koncept Dipolarnej Grawitacji

Naukowa Teoria Wszystkigo 1985 roku

Totalizm

Pasożytnictwo

Karma

Prawa moralne

Nirwana

Teoria Życia z 2020 roku

Dowód na duszę

Wehikuły czasu

Nieśmiertelność

Napędy

Magnokraft

Komora oscylacyjna

Militarne użycie magnokraftu

Tapanui

Nowa Zelandia

Atrakcje Nowej Zelandii

Dowody działań UFO na Ziemi

Fotografie UFO

Chmury-UFO

Bandyci wśród nas

Tornado

Huragany

Katrina

Lawiny ziemne

Zburzenie hali w Katowicach

Ludobójcy

26ty dzień

Petone

Przepowiednie

Plaga

Podmieńcy

WTC

Columbia

Kosmici

UFOnauci

Formalny dowód na istnienie UFO

Zło

Antychryst

O Bogu naukowo

Dowód na istnienie Boga

Metody Boga

Biblia

Wolna wola

Prawda

Dr Pająk portfolio

Widea z moim udziałem

"Smart" TV

O mnie (dr inż. Jan Pająk)

Krótkie "o mnie"

Poszukuję pracy

Aleksander Możajski

Świnka z chińskiego zodiaku

Zdjęcia ozdobnych świnek

Radości po 60-tce

Kuramina

Uzdrawianie

Owoce tropiku

Owoce w folklorze

Postępowanie z żywnością

Ewolucja ludzi

Wszystko-w-jednym

Grecka klawiatura

Rosyjska klawiatura

Rozwiązanie kostki Rubika 3x3=9

Rozwiązanie kostki Rubika 4x4=16

Playlisty piosenkowe dla TV i PC

Instrukcja piosenkowych playlist

Wrocław

Malbork

Milicz

Bitwa o Milicz

Św. Andrzej Bobola

Liceum Ogólnokształcące w Miliczu

Klasa Pani Hass z LO Milicz

Absolwenci PWr 1970

Nasz rok

Wykłady 1999

Wykłady 2001

Wykłady 2004

Wykłady 2007

Wieś Cielcza

Wieś Stawczyk

Wszewilki

Zwiedzaj Wszewilki i Milicz

Wszewilki jutra

Zlot "Wszewilki-2007"

Unieważniony Zjazd "2007"

Poprzedni Zlot "2006"

Raport Zlotu "2006"

Korea

Hosta

Lepsza ludzkość

Pająk do sejmu NZ 2014

Pajak na Prezydenta 2015

Pajak na Prezydenta 2020

Pajak dla prezydentury 2020

Partia totalizmu

Statut partii totalizmu

FAQ - częste pytania

Replikuj

Memoriał

Sabotaże

Skorowidz

Menu 2

Menu 4

Źródłowa replika strony menu

Źródła wpisów do blogów

Tekst [18] w PDF

Tekst [17] w PDF

Tekst [13] w PDF

Tekst [12] w PDF

Tekst [11] w PDF

Tekst [10] w PDF

Tekst [8p/2]

Tekst [8p]

Tekst [7]

Tekst [7/2]

Tekst [7b]

Tekst [6/2]

[5/4]: 1, 2, 3

Tekst [4c]: 1, 2, 3

Tekst [4b]

Tekst [3b]

Tekst [2]

[1/3]: 1, 2, 3

X tekst [1/4]

Monografia [1/4]:
P, 1, 2, 3, E, X

Monografia [1/5]


(Hier auf Deutsch:)

Freie Energie

Telekinesis

Moralische Gesetze

Totalizm

Über mich

Menu 2

Menu 4

Quelreplica dieser Seite


(Aquí en espańol:)

Energía libre

Telekinesis

Leyes morales

Totalizm

Sobre mí

Menu 2

Menu 4

Reproducción de la fuente de esta página


(Ici en français:)

Énergie libre

Telekinesis

Lois morales

Totalizm

Au sujet de moi

Menu 2

Menu 4

Reproduction de source de cette page


(Qui in italiano:)

Energia libera

Telekinesis

Leggi morali

Totalizm

Circa me

Menu 2

Menu 4

Replica di fonte di questa pagina




Menu 2:

(scrollable)

Here is the list of all web pages which should be available at this address (i.e. from this server), arranged by language (in 8 languages). It represents a more frequently updated version of "Menu 1". Choose below the page that interests you by dragging scroll bars, then click on this web page to run it:

Here the page menu2.htm should be displayed.

(The same list can also be displayed from "Menu 1" by clicking Menu 2.)



Menu 3: (Alternative addresses of this web page:)

(On paid servers:)

totalizm.pl

pajak.org.nz

(On free hosting but with FTP:)

drobina.rf.gd

geocities.ws/immortality

gravity.ezyro.com

nirwana.hstn.me

(Rerely updated:)

tornados2005.narod.ru




Menu 4:

(scrollable)

Here is the list of addresses of all totaliztic web sites that still worked at the date of the most recent update of this web page. At each of these addresses should be available all totaliztic web pages listed in "Menu 1" or "Menu 2", including also their different language versions (i.e. versions in languages: Polish, English, German, French, Spanish, Italian, Greek or Russian.) Thus firstly select the address which you wish to open by dragging scroll bars in small window below, then click on this address to run it. When opens the web page which represents this address, then choose from its "Manu 1" or "Menu 2" the web page which interests you and click on it to view that page:

Here the page menu.htm should be displayed.

(The above list can also be displayed from "Menu 1" by clicking Menu 4.)


This web page offers (free of charge) improved and amended volumes and illustrations for eighteen scientific monographs by Prof. Dr Eng. Jan Pajak from the newest series [1/5] entitled "Advanced Magnetic Devices" (5th edition, 2007, ISBN 978-1-877458-81-1 to ISBN 978-1-877458-98-9). In author's literature references this series of eighteen scientific monographs is indicated with the symbol [1/5] - which denotes the most important series [1] of the author's publications, already disseminated in the fifth [/5] edition.


The version of [1/5] in English:


Part #A: ADOBE.PDF source text of the English version of all monographs from [1/5e] series:

       This my most important series of monographs [1/5e] is offered (free of charge) practically on almost every server and web site of totalizm. It is always (and only) offered in the "ADOBE PDF" format, sometimes called also "PDF" format or "Portable Document Format". The reason why these monographs are offered in one format only, is that the "PDF" format does NOT allow computer viruses to be attached to it. Thus when downloading to your computer files in the "PDF" format you have the assurance that these files do NOT contain viruses attached to them. Note, however, that NOT all servers and web sites of totalizm offer monographs from the [1/5e] series. The reason is that these servers and web sites of totalizm which (a) introduced a ban on the use of PDF format (totalizm uses only free web space providers, thus NOT all of them allow to store PDF format), or which (b) have memory limitations that disallow to upload large files of subsequent monographs from [1/5e] series, do NOT offer either the biggest, or even all monographs from [1/5e] series. In order to check whether the monograph [1/5e] is available here on this server, it is enough to click on any monograph from the list below and see whether this monograph downloads itself to your computer. Here is the complete list of all monographs from the series [1/5e] which are already offered to interested readers (Notice that content of each monograph is summarised briefly in next part #B):

List of content of all monographs from series [1/5] (size on the disk 0.3 MB),

Monograph 1, ISBN 978-1-877458-81-1 (size on the disk 1.0 MB) on primeval beginnings of everything,
Monograph 2, ISBN 978-1-877458-82-8 (size 2.4 MB) on fundamental discoveries and inventions,
Monograph 3, ISBN 978-1-877458-83-5 (size 5.1 MB) on (discoidal) Magnocraft of 1st generation,
Monograph 4, ISBN 978-1-877458-84-2 (size on the disk 1.2 MB) on the Concept of Dipolar Gravity,
Monograph 5, ISBN 978-1-877458-85-9 (size on the disk 1.2 MB) on the Virtual World and God,
Monograph 6, ISBN 978-1-877458-86-6 (size on the disk 1.0 MB) on Totalizm,
Monograph 7, ISBN 978-1-877458-87-3 (size on the disk 1.0 MB) on morality and moral laws,
Monograph 8, ISBN 978-1-877458-88-0 (size on the disk 1.3 MB) on Nirvana and totaliztic mechanics,
Monograph 9, ISBN 978-1-877458-89-7 (size on the disk 1.3 MB) on telepathy and telepathic devices,
Monograph 10, ISBN 978-1-877458-90-3 (size on the disk 1.5 MB) on telekinesis and free energy devices,
Monograph 11, ISBN 978-1-877458-91-0 (size on the disk 1.0 MB) on Time Vehicles,
Monograph 12, ISBN 978-1-877458-92-7 (size on the disk 1.0 MB) on getting to know God,
Monograph 13, ISBN 978-1-877458-93-4 (size on the disk 1.0 MB) on Parasitism,
Monograph 14, ISBN 978-1-877458-94-1 (size on the disk 2.5 MB) on proof for the existence of UFOs,
Monograph 15, ISBN 978-1-877458-95-8 (size on the disk 2.5 MB) on devices of UFOnauts,
Monograph 16, ISBN 978-1-877458-96-5 (size on the disk 1.0 MB) on abductions to UFOs,
Monograph 17, ISBN 978-1-877458-97-2 (size on the disk 2.1 MB) on meaning of evidence on UFOs,
Monograph 18, ISBN 978-1-877458-98-9 (size 1.2 MB) on history of my research and this monograph.

       All the above monographs are offered in the form ready to print. It means that at the end of each one of them all illustrations are also attached. However, on some illustrations several photographs or drawings needed to be "squeezed" onto a single piece of paper of A4 format. Thus some amongst these "squeezed" photographs or drawings may NOT come out clear or readable enough in the printed versions of monographs. Therefore, in "part #E" below of this web page, all the illustrations used in monographs from [1/5e] series are also made available for readers' downloading, or for viewing in the enlarged sizes.
       Should, for some reasons, you NOT be able to download the monograph that you wish to read, you can write to me, and I will sent it to you (free of charge) via email. My email addresses are provided at the end of totaliztic web page pajak_jan_uk.htm - about myself (i.e. Dr Eng. Jan Pająk). But please limit your request just to one monograph, i.e. only to this one that you really wish to read but because of its size or other reasons you have difficulties with downloading it yourself from the Internet.


Part #B: ADOBE.PDF summary of content of each monograph from [1/5e] series:

      This part summarises briefly the content of each monograph from the 5th edition of the series [1/5e] entitled "Advanced Magnetic Devices" (copyright © 2007 by Prof. Dr Eng. Jan Pająk - Wellington, New Zealand, ISBN 978-1-877458-81-1 to ISBN 978-1-877458-98-9). To make your choice more handy, you can also download each of these monographs from here just by clicking at their green description and then following instructions that are to appear. Here are subsequent monographs from [1/5e] series, supplied with a brief summary of their content:

List of content of all monographs (volumes) from series [1/5]: The content lists titles of all chapters and subsections from the entire series of monographs [1/5e].

Monograph 1, ISBN 978-1-877458-81-1, on primeval beginnings of everything: Chapter A includes the list of content for the entire monograph [1/5]. It also provides a historic background for this monograph, starting from primeval times.

Monograph 2, ISBN 978-1-877458-82-8, on fundamental discoveries and inventions: Chapter B provides descriptions of the Cyclic Table. The Cyclic Table is also discussed briefly on the totaliztic web page propulsion.htm - about magnetic propelling devices. Chapter D describes four-propulsor Magnocraft. Chapter E explains design and operation of magnetic personal propulsion system. Chapter F describes the Oscillatory Chamber, including general information about how to build oscillatory chamber (Chapter F contains the most current and most complete English presentation of the design and operation of the Oscillatory Chamber). The Oscillatory Chamber is explained on the totaliztic web page oscillatory_chamber.htm - about the Oscillatory Chamber. In turn the applications of the Oscillatory Chamber for propelling eco-friendly cars are described on the web page eco_cars.htm - about eco-friendly cars.

Monograph 3, ISBN 978-1-877458-83-5, on (discoidal) Magnocraft of 1st generation: Chapter G presents the design and operation of discoidal Magnocraft, and explains phenomena induced by Magnocraft. It contains the most current and complete presentation of Magnocraft available in English. The magnetic starship called the Magnocraft is also briefly described on the totaliztic web page magnocraft.htm - about the Magnocraft.

Monograph 4, ISBN 978-1-877458-84-2 (size on the disk 1.3 MB) on the Concept of Dipolar Gravity: This is the first (out of two) monograph describing the Concept of Dipolar Gravity. Chapter H presents this part of the Concept of Dipolar Gravity, which concerns the physical behaviours and attributes of the counter-world and counter-matter. It presents a newer and recently updated version of chapters G and H from monograph [8e]. Chapter HB explains why antigravity does not exist while the antigravity vehicle cannot be build. The theory of everything called the Concept of Dipolar Gravity is also explained briefly on the totaliztic web page dipolar_gravity.htm - about the Concept of Dipolar Gravity.

Monograph 5, ISBN 978-1-877458-85-9, on the Virtual World and God: This is the second (out of two) monograph describing the Concept of Dipolar Gravity. Chapter I explains the part of the Concept of Dipolar Gravity, which concerns the intelligent so-called "virtual world". Subsection I3.3 presents the formal proof for the existence of God. Subsection I4.1.1 lists and explains the most important moral laws. Subsection I4.1.2 explains the work of our conscience and ULT. The second half of chapter I (volume 5) explains the operation of karma and creditory karma, the model of the brain as an input-output device, ULT language, differences between souls and spirits, the mechanism of feelings, love, magic, black magic, traps of so-called positive thinking, and many more. It is a newer and updated version of chapter K (volume 6) from monograph [8e]. The part of the Concept of Dipolar Gravity which relates to God is also described briefly on the totaliztic web page god.htm - about the scientific and secular understanding of God. In turn various scientific evidence for the existence of God, together with a formal scientific proof for the existence of God, are presented on the web page god_proof.htm - containing compendium of scientific proofs that God really does exist.

Monograph 6, ISBN 978-1-877458-86-6, on Totalizm: Chapter JA explains how to apply the philosophy of totalizm to our everyday lives. It is a newer and updated version of chapter A from the first textbook (manual) of totalizm, which was the old monograph [8e]. The philosophy of totalizm is also briefly summarised in the web page totalizm.htm - about totalizm.

Monograph 7, ISBN 978-1-877458-87-3, on morality and moral laws: Chapter JB explains how one should understand totalizm. Chapter JD presents the official stand of totalizm in various controversial matters (e.g. sacrifice, corporal punishment, vegetarianism, etc.). It is a newer and updated version of chapters B and C from monograph [8e]. It is worth to notice, that various issues discussed in chapters JB to JD, e.g. canons of the operation of universe, the action of "moral laws", etc., is also discussed on the totaliztic web pages morals.htm - about operation of moral laws, bible.htm - about mysteries and curiosities of the Bible, or will.htm - about so-called "free will".

Monograph 8, ISBN 978-1-877458-88-0, on Nirvana and totaliztic mechanics: Chapter JE presents the totaliztic "nirvana", and also is a newer and updated version of subsection A6 from monograph [8e]. The phenomenon of "nirvana" is explained also on the web page nirvana.htm - about the totaliztic nirvana. Chapter JG presents the most recent version of the "totaliztic mechanics". It is the version even newer that that one presented in volume 8 of monograph [8].

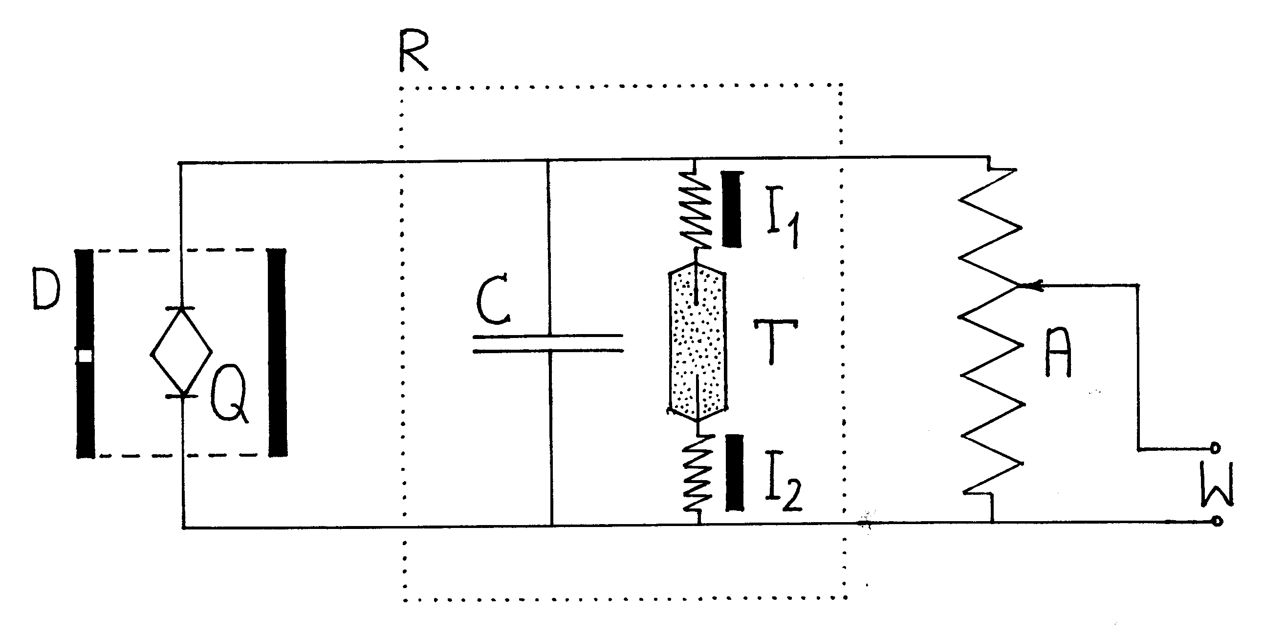
Monograph 9, ISBN 978-1-877458-89-7, on telepathy and telepathic devices: Chapter K addresses the utilisation of telepathic vibrations. It presents various devices that utilise telepathic vibrations technically. The most important of these is the telepathic pyramid described in subsection K2, and also in separate treatise [7/2]. Such a pyramid allows to exchange thoughts directly between two minds, without the use of speech. Subsection K3 presents TRI devices. Subsection K4 described telepathic communication devices of UFOnauts. Subsection K5 explains telepathic telescopes and projectors. In turn subsection K6 explains in details a true operation of the so called Zhang Heng seismograph which was the first telepathic earthquake detection build on earth, which was able to begin an alarm before an earthquake strikes. It foreruns for at least 100 years our present seismographs, because they are only capable of indicating an earthquake after it already did a damage. Chapter KB describes the use of telepathic vibrations for purposes other than communication, e.g. for farming, healing, cold fusion, etc. Telepathic vibrations are also discussed briefly on the web page telepathy.htm - about telepathy and devices for telepathic communication.

Monograph 10, ISBN 978-1-877458-90-3, on telekinesis and free energy devices: This volume describes devices which utilise telekinesis for various technical devices. Chapter LA presents several telekinetic free energy devices, which produce electricity without consuming any fuel or supplying to them any other technical forms of energy. These devices utilise the ability of the Telekinetic Effect to work as a reversal of friction, namely to extract thermal energy from the environment and to produce motion. The most advanced of these devices is the telekinetic influenzmaschine (i.e. the Thesta-Distatica already operative in Switzerland) which already produces enough free electricity to cover the consumption of an average household. Some of these devices are also explained on the web pages free_energy.htm - about telekinetic generators of free energy, fe_cell.htm - about the telekinetic battery, boiler.htm - about the so-called "sonic boiler", and telekinetics.htm - about development of devices of telekinetics. Chapter LB explains climate control via the motion of counter-matter. Chapter LC describes telekinetic vehicles and explains observations of so-called "rods" (means telekinetic UFOs). Telekinesis is also described briefly on the web page telekinesis.htm - about telekinesis. In turn the so-called "rods" and "orbs" are described on the web page explain.htm - about a scientific interpretation of authentic UFO photographs.

Monograph 11, ISBN 978-1-877458-91-0, on time, time travel, and time vehicles: Chapter M explains time, timespace, operation of time vehicles, and also phenomena induced by them. The work of time and time vehicles are also explained on the web page timevehicle.htm - about time, time vehicles and travelling in time.

Monograph 12, ISBN 978-1-877458-92-7, on getting to know God: Chapter N presents findings of totalizm regarding the personality of God, principles of Gods interactions with people, and methods that God uses in His relationship with people.

Monograph 13, ISBN 978-1-877458-93-4, on parasitism: Chapter OA presents the philosophy of parasitism, which is a reversal and the main enemy of totalizm. Chapter OA is much newer and more recently updated version of chapter D from monograph [8e]. The philosophy of parasitism (which is an opposite of totalizm) is also briefly summarised in the web page parasitism.htm - about parasitism.

Monograph 14, ISBN 978-1-877458-94-1, on the formal proof for existence of UFOs: Chapter P provides the formal scientific proof for the existence of UFOs, and consequences of this proof. Chapter P presents the formal proof stating that "UFOs do exist", completed with the use of scientific methodology of "matching attributes". It also presents other proofs which stem from the existence of UFOs, namely the proof that "operation of UFOs is explainable on basis of the operation of Magnocraft" and that "Earth is currently under a hidden occupation of UFOs". It also addresses the main consequences of this proof, for example that the only reason why Earth was populated is to provide a colony for exploitation by UFOnauts. The formal scientific proof for the existence of UFOs is also presented on the web page ufo_proof.htm - about the formal scientific proof for the existence of UFOs. In turn some amongst countless items of evidence utilised in this proof are also discussed on the web page evidence.htm - about evidence of secretive UFO activities on the Earth.

Monograph 15, ISBN 978-1-877458-95-8, on devices of UFOnauts: Chapters Q, R, S, and T describe various devices and propulsion systems of UFOnauts. Chapters from Q to T present various propelling devices that UFOnats use on Earth. Thus it describes four-propulsor UFOs, personal propulsion of UFOnauts, telekinetic propulsion, and time vehicles. Some amongst these devices are also discussed on the web page bandits.htm - about bandits in our midst.

Monograph 16, ISBN 978-1-877458-96-5, on abductions to UFOs: Chapter U describe abductions of people to UFOs. Chapter U provides evidence that every person on the Earth is experiencing "simulations" as if he or she is systematically abducted to UFOs not less frequently than each 3 months. This evidence includes, amongst others, also a characteristic scar that every person on Earth carries on his/her own leg, and thus the existence of which can easily be checked practically by everyone. Chapter U also explains the major signs that every person can note on himself/herself, and that prove that the majority of people (including you, the reader) are experiencing these "simulations" of being systematically abducted by UFOnauts. Some items of this evidence are also discussed on the web page ufo.htm - about the "simulation" of secretive ocuppation of the Earth by evil UFOnauts.

Monograph 17, ISBN 978-1-877458-97-2, on significance of evidence on UFOnauts: Chapter V from monograph 17 tries to address, and tries point out our attention, the significance of UFO evidence present in our midst.

Monograph 18, ISBN 978-1-877458-98-9, on history of this monograph: This is the final monograph (volume) from the series [1/5e]. In chapter W it presents history of my research and the history of this monograph. Chapter X presents final message of this monograph. Chapter Y presents the list of complementary literature, and also the brief note "about the author". (A kind of summary of my life, which is outlined near the end of monograph 18, is also available in a condensed form on the totaliztic web page pajak_jan.htm - about myself (i.e. Dr Eng. Jan Pajak).) Appendix Z presents various research topics proposed for the completion in the subject area covered by this monograph.


Polish version of [1/5] - polska wersja serii [1/5]:


Część #C: Tekst źródłowy polskojęzycznej wersji monografii [1/5] w formacie ADOBE.PDF:

       Niniejsza najważniejsza seria [1/5] moich monografii jest udostępniana za darmo na niemal każdym serwerze i witrynie totalizmu. Zawsze też (i tylko) jest ona udostępniana w formacie "Adobe PDF" znanym także jako "PDF" od angielskiego "Portable Document Format". Powodem dla którego monografie z owej serii [1/5] są udostępniane tylko i wyłącznie w tym jednym formacie PDF, jest że format "PDF" nie pozwala na doczepianie się do niego wirusów komputerowych. Stąd, kiedy załadowuje się do swego komputera teksty zapisane w formacie "PDF", ma się gwarancję że teksty te NIE zawierają doczepionych do nich wirusów komputerowych. (Tak jak wirusy takie mogą zawierać np. teksty zapisane w formacie Worda.DOC.) Odnotuj jednakże że NIE wszystkie serwery i witryny totalizmu oferują całą niniejszą serię monografii [1/5]. Powodem jest że niektóre darmowe serwery używane przez totalizm albo (a) NIE pozwalają na przechowywanie na nich plików w formacie PDF, albo też (b) NIE pozwalają one na zainstalowanie na nich aż tak dużych objętościowo plików jak te które zawierają największe monografie z serii [1/5]. Aby sprawdzić czy monografie z serii [1/5] są dostępne na niniejszym serwerze (witrynie totalizmu) wystarczy kliknąć na dowolną z monografii wyszczególnionych poniżej i sprawdzić czy się ona załaduje do naszego komputera. (Jeśli zaś się NIE załaduje, wówczas należy jej poszukiwać na innych serwerach totalizmu wyszczególnionych w Menu tej strony.) Oto wykaz wszystkich monografii z serii [1/5] które już obecnie są oferowane gratisowo zainteresowanym czytelnikom (proszę odnotować że zawartość treści każdej z tych monografii jest skrótowo streszczona w następnej części D):

Spis treści wszystkich monografii ze serii [1/5] (rozmiar na dysku 0.3 MB),

Monografia 1, ISBN 978-1-877458-01-9 (objętość na dysku 1.0 MB) o początkach wszystkiego,
Monografia 2, ISBN 978-1-877458-02-6 (objętość 2.6 MB) o magnokraftach i komorze oscylacyjnej,
Monografia 3, ISBN 978-1-877458-03-3 (objętość na dysku 5.5 MB) o magnokrafcie,
Monografia 4, ISBN 978-1-877458-04-0 (objętość na dysku 1.6 MB) o Koncepcie Dipolarnej Grawitacji,
Monografia 5, ISBN 978-1-877458-05-7 (objętość na dysku 1.8 MB) o świecie wirtualnym,
Monografia 6, ISBN 978-1-877458-06-4 (objętość na dysku 1.3 MB) o filozofii totalizmu,
Monografia 7, ISBN 978-1-877458-07-1 (objętość na dysku 1.3 MB) o prawach moralnych,
Monografia 8, ISBN 978-1-877458-08-8 (objętość na dysku 1.8 MB) o nirwanie i mechanice totaliztycznej,
Monografia 9, ISBN 978-1-877458-09-5 (objętość 1.4 MB) o telepatii i urządzeniach telepatycznych,
Monografia 10, ISBN 978-1-877458-10-1 (objętość na dysku 1.8 MB) o darmowej energii i telekinezie,
Monografia 11, ISBN 978-1-877458-11-8 (objętość na dysku 1.0 MB) o czasie i podróżowaniu przez czas,
Monografia 12, ISBN 978-1-877458-12-5 (objętość na dysku 1.0 MB) o cechach i metodach Boga,
Monografia 13, ISBN 978-1-877458-13-2 (objętość 1.5 MB) o pasożytnictwie i jego następstwach,
Monografia 14, ISBN 978-1-877458-14-9 (objętość na dysku 3.0 MB) o dowodzie na istnienie UFO,
Monografia 15, ISBN 978-1-877458-15-6 (objętość na dysku 3.0 MB) o urządzeniach UFOnautów,
Monografia 16, ISBN 978-1-877458-16-3 (objętość na dysku 1.6 MB) o uprowadzeniach do UFO,
Monografia 17, ISBN 978-1-877458-17-0 (objętość na dysku 2.5 MB) o wymowie manifestacji UFO,
Monografia 18, ISBN 978-1-877458-18-7 (objętość na dysku 1.5 MB) o historii tej monografii.

       Wszystkie powyższe monografie są oferowane w postaci gotowej do wydrukowania. To znaczy, że na końcu każdej z nich załączone są również wszystkie ilustracje. Niefortunnie, w niektórych ilustracjach aż kilka zdjęć lub rysunków musiało zostać "wciśnięte" na pojedynczą stronę papieru formatu A4. Stąd niektóre z owych "wciśniętych" fotografii lub rysunków mogą NIE wyglądać wystarczająco wyraźnie lub czytelnie w wydrukowanych wersjach owych monografii. Dlatego w "części E" u dołu tej strony udostępnione są dla załadowania przez zainteresowanych czytelników, lub do oglądania po powiększeniu, wszystkie ilustracje używane w monografiach z serii [1/5].
       Gdyby z jakichś ważnych powodów czytelnik NIE był w stanie załadować tej wybranej monografii którą zechce poczytać, wówczas może do mnie napisać zaś ja postaram się ją mu wysłać (za darmo) emailem. Moje adresy emailowe są wyszczególnione pod koniec totaliztycznej strony pajak_jan.htm - o mnie (tj. dr inż. Jan Pająk). Jednak proszę ograniczyć swoje życzenia do tylko jednej monografii, tj. do tej którą czytelnik faktycznie życzy sobie czytać, jednak np. z powodu jej rozmiarów lub innych przyczyn ma trudności techniczne z jej załadowaniem do swojego komputera.


Część #D: ADOBE.PDF streszczenie zawartości poszczególnych monografii z serii [1/5]:

      Ta część podsumowuje skrótowo każdą z 18 monografii w serii [1/5] o generalnym tytule "Zaawansowane Urządzenia Magnetyczne" (copyright © 2007 by Prof. dr inż. Jan Pająk - Wellington, Nowa Zelandia, ISBN 978-1-877458-01-9 do ISBN 978-1-877458-18-7). Aby uczynić wybór czytelnika łatwiejszym, każdą z tych monografii daje się też załadować i z niniejszej części poprzez kliknięcie na jej zielony opis i wykonanie instrukcji ktore się wtedy ukażą. Oto wykaz poszczególnych monografii z serii [1/5] zaopatrzony w ich krótkie streszczenia:

Spis treści wszystkich monografii ze serii [1/5]:

Monografia 1, ISBN 978-1-877458-01-9, o początkach wszystkiego: Rozdział A zawiera spis treści dla całej monografii [1/5]. Ponadto zawiera on wprowadzenie i wyjaśnia jakie były prapoczątki i kolejne losy wszystkiego aż do czasów kiedy doszło do napisania i opublikowania tej monografii.

Monografia 2, ISBN 978-1-877458-02-6, o "Tablicy Cykliczności", "magnokraftach" i "komorze oscylacyjnej": Rozdział B zawiera opis tzw. "Tablicy Cyklicznosci". Rozdział C opisuje w skrócie międzygwiezdny wehikuł kosmiczny zwany "magnokraftem" - który jest kluczem dla całej niniejszej monografii. Rozdział D opisuje "magnokraft czteropednikowy". Rozdział E prezentuje "magnetyczny napęd osobisty". Rozdział F opisuje Komore oscylacyjna. (Faktycznie to rozdział F zawiera najbardziej obecnie aktualna i kompletna prezentacje budowy i działania "komory oscylacyjnej".)

Monografia 3, ISBN 978-1-877458-03-3, o magnokrafcie: Dyskoidalny magnokraft. Rozdział G omawia konstrukcję i działanie dyskoidalnego magnokraftu, oraz wyjaśnia zjawiska indukowane przez ów magnokraft. Zawiera on najbardziej aktualną, szeroką i kompletną prezentację magnokraftu.

Monografia 4, ISBN 978-1-877458-04-0, o Koncepcie Dipolarnej Grawitacji: Koncept Dipolarnej Grawitacj, część 1. Rozdział H prezentuje ta czesc Konceptu Dipolarnej Grawitacji jaka dotyczy fizykalnych zachowan i atrybutow przeciw-materii. Monografia [1/5] zawiera jeszcze nowsze wersje rozdziałow G, H i I, niz te wersje zaprezentowane w tomach 5 i 7 monografii [8]. Rozdział HB wyjasnia dlaczego antygrawitacja nie istnieje zas statek antygrawitacyjny nie moze zostac zbudowany.

Monografia 5, ISBN 978-1-877458-05-7, o świecie wirtualnym: Koncept Dipolarnej Grawitacji, część 2 - inteligentny świat wirtualny. Rozdział I wyjaśnia cechy i zjawiska wynikające z inteligencji przeciw-świata. Zjawiska te obejmują między innymi formowanie ludzkiej duszy i ducha, działanie karmy, uczucia, itp. Podrozdział I3.3 zawiera także formalny dowód naukowy na istnienie Boga.

Monografia 6, ISBN 978-1-877458-06-4, o totaliźmie: Rozdział JA wyjaśnia jak stosować totalizm w naszym życiu codziennym.

Monografia 7, ISBN 978-1-877458-07-1, o prawach moralnych: Rozdział JB wyjasnia jak rozumiec totalizm. Rozdział JD prezentuje oficjalne stanowisko totalizmu w najrozniejszych kontrowersyjnych sprawach.

Monografia 8, ISBN 978-1-877458-08-8, o nirwanie i mechanice totaliztycznej: Rozdział JE prezentuje totaliztyczną nirwane. Rozdział JF ujawnia inne korzyści z praktykowania totalizmu. Rozdział JG prezentuje najnowsza wersje Mechaniki Totaliztycznej. Jest to wersja nawet nowsza niz wersja tej mechaniki zaprezentowana w tomie 8 monografii [8].

Monografia 9, ISBN 978-1-877458-09-5, o urządzeniach telepatycznych: Rozdział K omawia urządzenia wykorzystujące wibracje przeciw-materii. Opisuje on: telepatyczne stacje nadawczo-odbiorcze (K2), TRI (K3), urządzenia komunikacyjne UFOnautow (K4), teleskopy i rzutniki telepatyczne oraz urządzenia ujawniające (K5), a także telepatyczny wykrywacz nadchodzących trzesień ziemi jaki ostrzega ludność zanim dane trzęsienie ziemi ich dopada, a jaki znany jest pod nazwą Zhang Heng seismograph (K6). Rozdział KB omawia praktyczne wykorzystanie natelekinetyzowanych substancji, włączając w to telekinetyczne rolnictwo (KB).

Monografia 10, ISBN 978-1-877458-10-1, o darmowej energii i telepatii: Rozdział LA omawia siłownie telekinetyczne. Rozdział LB omawia sterowanie pogodą. Rozdział LC omawia "magnokrafty telekinetyczne".

Monografia 11, ISBN 978-1-877458-11-8, o wehikułach czasu i telekinetycznych: Rozdział M omawia "wehikuły czasu".

Monografia 12, ISBN 978-1-877458-12-5, o Bogu: Rozdziały N opisują cechy, zasady i metody działania Boga.

Monografia 13, ISBN 978-1-877458-13-2, o filozofii pasożytnictwa: Rozdział OA prezentuje filozofię pasożytnictwa - ktora jest przeciwstawieństwem i głównym wrogiem totalizmu, systematycznie zwalczanym przez samego Boga. Rozdział OB wyjasnia jak bronić się przed padnięciem ofiarą pasożytnictwa. Rozdział OC opisuje jak magnokraft (jeśli zostanie nadużyty) jest w stanie zamienic kiedys ludzkość w bande kosmicznych rabusiow którzy będą exploatowali słabsze od siebie cywilizacje. Wyjaśnia też implikacje powstania pasożytniczych cywilizacji. Rozdział OD wyjaśnia jak Bóg powstrzymuje powstanie pasożytniczych cywilizacji (np. poprzez "symulowanie" skrytej okupacji Ziemi przez pasożytniczych UFOnautów).

Monografia 14, ISBN 978-1-877458-14-9, o formalnym dowodzie na istnienie UFO: Formalny dowód naukowy że "UFO to już zrealizowane magnokrafty" oraz implikacje tego dowodu.

Monografia 15, ISBN 978-1-877458-15-6, o urządzeniach używanych przez UFOnautów: Rozdział Q omawia "UFO czteropędnikowe". Rozdział R prezentuje "magnetyczny napęd osobisty" UFOnautow. Rozdział S dokumentuje "komory oscylacyjne" odnotowane na pokładach UFO. Rozdział T omawia jeszcze inne urządzenia UFOnautow.

Monografia 16, ISBN 978-1-877458-16-3, o uprowadzeniach do UFO: Rozdział U omawia Uprowadzenia ludzi do UFO. Kazdy z nas, włączając w to i ciebie czytelniku, uprowadzany jest do UFO regularnie nie rzadziej niz raz na kazde 3 miesiace. Rozdział U monografii [1/5] dostarczy ci informacji jakie umozliwią dowiedzenie sobie samemu, że uprowadzenia te faktycznie mają miejsce, oraz że na swoim własnym ciele, a także w swoim własnym domu, posiadasz wystarczająco dużo dowodów aby o ich istnieniu być pewnym, lub aby o ich istnieniu przekonać nawet najbardziej zatwardziałego sceptyka. Tyle tylko, że dotychczas nie wiedziałeś jak owe dowody wyglądają i co one oznaczają. Stąd dotychczas nie zwracałeś na nie swojej uwagi.

Monografia 17, ISBN 978-1-877458-17-0, o wymowie manifestacji UFO: Rozdział V prezentuje i wyjaśnia implikacje istnienia dowodów materialnych na nieustanne działania UFOnautów na Ziemi.

Monografia 18, ISBN 978-1-877458-18-7, o historii tej monografii: Rozdział W opisuje historię tej monografii. Podrozdział W4 opisuje najwazniejsze kamienie węgielne z historii mojego życia - które są również kamieniami węgielnymi niniejszej monografii [1/5]. Dalej zawarte jest podsumowanie (rozdział X). Literatura i o autorze (rozdział Y). Załączniki (Z).


Part #E: Illustrations for the English-language version of monograph [1/5], in *.gif or *.jpg formats.


Click on the underlined part of description for a given illustration in order to see this illustration or to download it to your own computer!


Meaning of colours in descriptions under illustrations:
A green colour underlined (like this one) indicates links to files with illustrations. (One needs to click on these links to see selected illustrations. If for some reasons these illustrations refuse to show up after such clicking, then it is good to change the server into any other amongst those listed in 'Menu 3", and over there repeat the clicking.)
A red colour (like this one) indicates captions under subsequent illustrations provided in the English language.
A dark colour (like this one) indicates descriptions under subsequent illustrations provided in the Polish language.
A blue colour (like this one) indicates the list of my publications in which a given illustration was also published, and provides Figure numbers of the given illustration in these publications.

Captions under illustrations:
Notice that below only very short descriptions are provided under each illustration. The full text of descriptions for Figures shown below is provided at the end of the chapter or volume in monograph [1/5e], which is illustrated by given Figures (i.e. complete captions under subsequent illustrations for chapter G, are provided at the end of chapter G from volume 3 of monograph [1/5]).




Chapter A - volume 1 of monograph [1/5] (it is a completely new chapter, unique for monograph [1/5]):

[1/5] - Figure/Rysunek A1.
Pokazuje on: Obraz fragmentu bitwy w średniowiecznej Korei ilustrującej pasożytnicze tendencje ludzi do zabijania swych bliźnich.
It illustrates: A painting of a fragment of medieval battle in Korea, which illustrates parasitic inclinations of humans to kill other humans.
(Opublikowany: [1/5] - A1, bitwa_o_milicz.htm - #A1 )




Chapter B - volume 2:

[1/5p] - Tablica B1.
Pokazuje ona: Tablica cykliczności dla urządzeń napędowych. (Jest ona jak "Tablica Mendelejewa", tyle że sporządzona dla napędów zamiast dla pierwiastków.) Tablica ta wskazuje jakie będą: zasada działania, cechy, oraz rok zbudowania magnokraftu.
(Opublikowana: [1/5] - Tab. B1p, [1/4] - Tab. B1p, [1/3] - Tab. B1, [5/3] - 18, [5/4] - G1 )


[1/5e] - Table B1.
It illustrates: A periodic table for propulsion systems. (It is like the "Periodic Table of Elements", only that formed for propelling devices instead of elements.) This Table indicates what will be: principles of operation, atrributes, and date of completion of the Magnocraft.
(Published: [1/5] - Tab. B1e, [1/4] - Tab. B1e, [1e] - Tab. B1, [2e] - Tab. B1, [5/3] - 18, [5/4] - G1 )




Chapter C - volume 2 of monograph [1/5] (it is an equivalent of subsection A2 from volume 1 of monograph [1/4]):

[1/5] - Figure/Rysunek C1-A.
Pokazuje on: Najmniejszy magnokraft typu K3 z którego wykrojono przedni fragment jego aerodynamicznej powłoki aby pokazać wewnętrzną kosntrukcje i podstawowe podzespoły. Ponieważ w podrozdziale P2 monografii [1/5] udowodniono formalnie że "UFO to już działające magnokrafty", rysunek ten ilustruje również budowę i podzespoły najmniejszego UFO typu K3.
It illustrates: A cross-section through the smallest Magnocraft type K3 that shows the design and main features of this starship. Because in subsection P2 of [1/5] it was formally proven that "UFOs are already operational Magnocraft", the above Figure illustrates also main components of UFOs type K3.
(Opublikowany/published: [1/5] - C1(a), [1/4] - A1(a), [1/3] - F1(b), [1e] - G5, [2e] - G5, [6/2] - 12A, [7/2] - A1(a), [8] - D1(A) )

[1/5] - Figure/Rysunek C1-B.
Pokazuje on: Wygląd boczny najmniejszego magnokraftu typu K3. Odnotuj, że statek ten ma kształt spodka odwróconego do góry dnem, który w centrum i na obrzeżu posiada kuliste pędniki magnetyczne. Ponieważ w podrozdziałe P2 udowodniono formalnie że "UFO to już działające magnokrafty", rysunek ten ilustruje również wygląd boczny najmniejszych UFO typu K3.
It illustrates: A side view of the smallest Magnocraft type K3. Notice that this starship has the basic shape of an inverted saucer, in the centre and side flange of which spherical propulsors are assembled. Because in subsection P2 of [1/5] it was formally proven that "UFOs are already operational Magnocraft", the above Figure illustrates also side appearance of UFOs type K3.
(Opublikowany/published: [1/5] - C1(b), [1/4] - A1(b), [1/3] - F1(a), [1e] - B1, [2e] - B1, [6/2] - 12B, [7/2] - A1(b), [8] - D1(B) )

[1/5] - Figure/Rysunek C1-C.
Pokazuje on: Konstrukcja kapsuły dwukomorowej zestawionej z dwóch komór oscylacyjnych umieszczonych jedna we wnętrzu drugiej. Komora oscylacyjna to po prostu źródło niezwykle potężnego pola magnetycznego. Komora ta ma kształt przeźroczystej kostki, pustej w środku, naokoło wewnętrznych ścianek której rotują strumienie iskier elektrycznych. Z kolei kapsuła dwukomorowa złożona z dwóch takich komór jest sercem pędnika magnetycznego każdego magnokraftu (a także i każdego UFO - po szczegóły patrz rozdział S w [1/5]).
It illustrates: A configuration of Oscillatory Chambers, called TWIN-CHAMBER CAPSULE. An Oscillatory Chamber is simply a source of extremely powerful magnetic field. Such a chamber is shaped like a transparent cube, empty inside, around peripherals of inner walls of which streams of electric sparks rotate. In turn twin-chamber capsules assembled from two such Oscillatory Chambers are hearts of every magnetic propulsor that is used for propelling Magnocraft and UFOs.
(Opublikowany/published: [1/5] - C1(c), [1/4] - A1(c), [1/3] - C5, [1e] - F1(a), [6/2] - 12C, [7/2] - A1(c), [8] - D1(C) )




Chapter D - volume 2:

[1/5] - Figure/Rysunek D1.
Pokazuje on: Magnokraft czteropędnikowy - wygląd z boku. Jest on rodzajem chatki unoszonej na narożnikach przez cztery pędniki wyglądające jak miniaturowe magnokrafty.
It illustrates: A four-propulsor Magnocraft. It is a kind of hut lifted on corners by four propulsors looking like miniature Magnocraft.
(Opublikowany/published: [1/5] - D1(a), [1/4] - D1(a), [1/3] - D1(a), [1e] - I1, [2e] - H1 )

[1/5] - Figure/Rysunek D2.
Pokazuje on: Pędniki w magnokrafcie czteropędnikowym pierwszej generacji: (b)amforo-ksztaltne, (c) beczko-ksztaltne. Odnotuj że zawierają one w środku tzw. konfigurację krzyżową komór oscylacyjnych.
It illustrates: Propulsors in a four-propulsor Magnocraft of the first generation: (b) amphora-shaped, (c) barrel-shaped. Notice that they contain inside so-called spider configurations.
(Opublikowany/published: [1/5] - D1(b,c), [1/4] - D1(b,c), [1/3] - D1(b,c), [1e] - I2, [2e] - H2 )




Chapter E - volume 2:

[1/5] - Figure/Rysunek E1 (a).
Pokazuje on: Porównananie układu napędowego magnokraftu w pozycji wiszącej oraz osobistego napędu magnetycznego.
It illustrates: The Magnocraft and the personal propulsion system. (a) Magnocraft type K3 in hanging position.
(Opublikowany/published: [1/5] - E1(a), [1/4] - E1(a), [1/3] - E1(a), [1e] - H1(a), [2e] - I1(a) )

[1/5] - Figure/Rysunek E1 (b).
Pokazuje on: System napędowy w magnetycznym napędzie osobistym pierwszej generacji.
It illustrates: The propelling system in personal propulsion.
(Opublikowany/published: [1/5] - E1(b), [1/4] - E1(b), [1/3] - E1(b), [1e] - H1(b), [2e] - I1(b) )

[1/5] - Figure/Rysunek E2.
Pokazuje on: Standardowy kostium magnetycznego napędu osobistego pierwszej generacji.
It illustrates: The standard personal propulsion garment.
(Opublikowany/published: [1/5] - E2, [1/4] - E2, [1/3] - E2, [1e] - H2, [2e] - I2 )

[1/5] - Figure/Rysunek E3 (lewy).
Pokazuje on: Siły zewnętrzne działające na magnetyczny napęd pierwszej generacji.
It illustrates: External forces acting in a personal propulion system.
(Opublikowany/published: [1/5] - E3(l), [1/4] - E3(l), [1/3] - E3(l), [1e] - H3(l), [2e] - I3(l) )

[1/5] - Figure/Rysunek E3 (prawy).
Pokazuje on: Magnetyczne siły wewnętrzne formowane przez wzajemne odziaływania pędników napędu osobistego pierwszej generacji.
It illustrates: Internal forces in personal propulsion (they explain the frequent flight of UFOnauts in a squat position).
(Opublikowany/published: [1/5] - E3(r), [1/4] - E3(r), [1/3] - E3(r), [1e] - H3(r), [2e] - I3(r) )

[1/5] - Figure/Rysunek E4 (a).
Pokazuje on: Wersja napędu osobistego z pędnikami w epoletach.
It illustrates: Personal propulsion with propulsors in epolettes.
(Opublikowany/published: [1/5] - E4(a), [1/4] - E4(a), [1/3] - E4(a), [1e] - H4(a), [2e] - I4(a) )

[1/5] - Figure/Rysunek E4 (b).
Pokazuje on: Wersja napędu osobistego z poduszkami helowymi wokół bioder.
It illustrates: Personal propulsion with helmet and cushions around hips.
(Opublikowany/published: [1/5] - E4(b), [1/4] - E4(b), [1/3] - E4(b), [1e] - H4(b), [2e] - I4(b) )




Chapter F - volume 2 of monograph [1/5] (it is an equivalent of chapter C from volume 2 of monograph [1/4]):

[1/5] - Figure/Rysunek F1.
Pokazuje on: Stadia formowania komory oscylacyjnej z dwóch obwodów oscylacyjnych z iskrownikiem.
It illustrates: The evolution of the Oscillatory Chamber.
(Opublikowany/published: [1/5] - F1, [1/4] - C1, [1/3] - C1, [1e] - F1, [2e] - F1 )

[1/5] - Figure/Rysunek F2.
Pokazuje on: Uzasadnienie dla użycia w komorze oscylacyjnej igło-kształtnych elektrod.
It illustrates: The justification for needle-shaped electrodes.
(Opublikowany/published: [1/5] - F2, [1/4] - C2, [1/3] - C2, [1e] - F10, [2e] - F10 )

[1/5] - Figure/Rysunek F3.
Pokazuje on: Wygląd komór oscylacyjnych pierwszej, drugiej i trzeciej generacji.
It illustrates: The appearence of the Oscillatory Chamber of the first, second, and third generation.
(Opublikowany/published: [1/5] - F3, [1/4] - C3, [1/3] - C3, [1e] - F2, [2e] - F2 )

[1/5] - Figure/Rysunek F4.
Pokazuje on: Neutralizacja sił elektromagnetycznych komory.
It illustrates: The neutralization of the electro-magnetic forces.
(Opublikowany/published: [1/5] - F4, [1/4] - C4, [1/3] - C4, [1e] - F3, [2e] - F3 )

[1/5] - Figure/Rysunek F5.
Pokazuje on: Kapsuła dwukomorowa pierwszej generacji.
It illustrates: The "twin-chamber-capsule" composed of two Oscillatory Chambers located one inside of the other.
(Opublikowany/published: [1/5] - F5, [1/4] - C5, [1/3] - C5, [1e] - F4, [2e] - F4, [5/3] - 19(c), [5/4] - G2(c) )

[1/5] - Figure/Rysunek F6.
Pokazuje on: Wygląd kapsuł dwukomorowych magnokraftu pierwszej generacji w obu trybach działania (tj. (a) w dominacji strumienia wewnętrznego i (b) w dominacji strumienia zewnętrznego).
It illustrates: Appearances if two twin-chamber capsules working in two different modes of operation.
(Opublikowany/published: [1/5] - F6, [1/4] - C6, [1/3] - C6, [1e] - F5, [2e] - F5, [5/3] - 23(a,b), [5/4] - H1(a,b)17(a,b) )

[1/5] - Figure/Rysunek F7.
Pokazuje on: Zasada formowania strumienia wynikowego w kapsule dwukomorowej.
It illustrates: Principles of formation of outputs combined from both chambers of a "twin-chamber capsule".
(Opublikowany/published: [1/5] - F7, [1/4] - C7, [1/3] - C7, [1e] - F6, [2e] - F6 )

[1/5] - Figure/Rysunek F8 (2s).
Pokazuje on: Kapsuły dwukomorowe drugiej generacji: (2s) widok boczny kapsuły drugiej generacji.
It illustrates: A side view of twin-chamber capsule of the 2nd generation.
(Opublikowany/published: [1/5] - F8(2s), [1/4] - C8(2s), [1/3] - C8(2s) )

[1/5] - Figure/Rysunek F8 (2io).
Pokazuje on: Kapsuły dwukomorowe drugiej generacji: (2io) widok odgórny wylotów kapsuły drugiej generacji.
It illustrates: A top view of twin-chamber capsule of the 2nd generation with domination of inner (3i) and outer (3o) flux.
(Opublikowany/published: [1/5] - F8(2io), [1/4] - C8(2io), [1/3] - C8(2io) )

[1/5] - Figure/Rysunek F8 (3s).
Pokazuje on: Kapsuły dwukomorowe trzeciej generacji: (3s) widok boczny kapsuły trzeciej generacji.
It illustrates: A side view of twin-chamber capsule of the 3rd generation.
(Opublikowany/published: [1/5] - F8(3s), [1/4] - C8(3s), [1/3] - C8(3s) )

[1/5] - Figure/Rysunek F8 (3io).
Pokazuje on: Kapsuły dwukomorowe trzeciej generacji - (3io) widok odgórny wylotów kapsuły trzeciej generacji.
It illustrates: A top view of twin-chamber capsule of the 3rd generation with domination of inner (3i) and outer (3o) flux.
(Opublikowany/published: [1/5] - F8(3io), [1/4] - C8(3io), [1/3] - C8(3io) )

[1/5] - Figure/Rysunek F9.
Pokazuje on: Konfiguracja krzyżowa pierwszej generacji.
It illustrates: An arrangement of oscillatory chambers called "spider configuration".
(Opublikowany/published: [1/5] - F9, [1/4] - C9, [1/3] - C9, [1e] - F7, [2e] - F7 )

[1/5] - Figure/Rysunek F10 (1s).
Pokazuje on: Prototypowa konfiguracja krzyżowa komór 1wszej generacji - widok boczny.
It illustrates: A side appearence and operation of a prototype spider configuration of the 1st generation.
(Opublikowany/published: [1/5] - F10(1s), [1/4] - C10(1s), [1/3] - C10(1s) )

[1/5] - Figure/Rysunek F10 (1t).
Pokazuje on: Prototypowa konfiguracja krzyżowa komór 1 generacji - widok od góry.
It illustrates: A top view of a prototype spider configuration of the 1st generation.
(Opublikowany/published: [1/5] - F10(1t), [1/4] - C10(1t), [1/3] - C10(1t) )

[1/5] - Figure/Rysunek F11 (2s).
Pokazuje on: Konfiguracje krzyżowe komór 2giej generacji - widok boczny konfiguracji drugiej generacji.
It illustrates: A top view of the spider configuration of 2nd generation.
(Opublikowany/published: [1/5] - F11(2s), [1/4] - C11(2s), [1/3] - C11(2s) )

[1/5] - Figure/Rysunek F11 (2t).
Pokazuje on: Konfiguracje krzyżowe komór 2giej generacji - widok od góry konfiguracji drugiej generacji.
It illustrates: A side view of the spider configuration of 2nd generation.
(Opublikowany/published: [1/5] - F11(2t), [1/4] - C11(2t), [1/3] - C11(2t) )

[1/5] - Figure/Rysunek F11 (3s).
Pokazuje on: Konfiguracje krzyżowe komór 3ciej generacji - widok boczny konfiguracji trzeciej generacji.
It illustrates: A top view of the spider configuration of 3rd generation.
(Opublikowany/published: [1/5] - F11(3s), [1/4] - C11(3s), [1/3] - C11(3s) )

[1/5] - Figure/Rysunek F11 (3t).
Pokazuje on: Konfiguracje krzyżowe komór 3ciej generacji - widok od góry konfiguracji trzeciej generacji.
It illustrates:C11 (3t): A side view of the spider configuration of 3rd generation.
(Opublikowany/published: [1/5] - F11(3t), [1/4] - C11(3t), [1/3] - C11(3t) )

[1/5p] - Rysunek F12.
Pokazuje on: Tzw. "krzywa równowagi" dla oddziaływań pola komór oscylacyjnych.
(Opublikowany: [1/5] - F12(Polish), [1/4] - C12(Polish), [1/3] - C12 )

[1/5e] - Figure F12.
It illustrates: The curve of the "interaction in equilibrium".
(Published: [1/5] - F12(English), [1/4] - C12(English), [1e] - F8, [2e] - F8 )

[1/5] - Figure/Rysunek F13 (a).
Pokazuje on: Wygląd pracującego modelu komory oscylacyjnej sfotografowany w ciemności.
It illustrates: sparks in a working model of the chamber in darkness.
(Opublikowany/published: [1/5] - F13(a), [1/4] - C13(a), [1/3] - C13(a), [1e] - F9(a), [2e] - F9(a) )

[1/5] - Figure/Rysunek F13 (b).
Pokazuje on: Fotografia stanowiska badawczego do budowy i badań komory oscylacyjnej.
It illustrates: Photograph of an experimental station for constructing an Oscillatory Chamber.
(Opublikowany/published: [1/5] - F13(b), [1/4] - C13(b), [1/3] - C13(b), [1e] - F9(b), [2e] - F9(b) )




Chapter G - volume 3 of monograph [1/5] (it is an equivalent of chapter F from volume 3 of monograph [1/4]):

[1/5] - Figure/Rysunek G1(a).
Pokazuje on: Wygląd najmniejszego magnokraftu typu K3 pokazanego w widoku z boku. Ponieważ jednak zostało formalnie udowodnione że "Magnokrafty to ziemskie wersje UFO", rysunek ten pokazuje także wygląd boczny UFO typu K3.
It illustrates: A side view of the smallest Magnocraft type K3 (because it was proven formally that "Magnocraft is an Earth's version of UFOs", it also illustrates the appearence of UFOs type K3).
(Opublikowany/published: [1/5] - G1(a), [1/4] - F1(a), [1/3] - F1(b), [1e] - G4, [2e] - G4, [5/3] - 19(A), [5/4] - G2(a), [7/2] - C1 )

[1/5] - Figure/Rysunek G1 (b).
Pokazuje on: Kompleks kulisty uformowany z magnokraftów typu K3.
It illustrates: A spherical complex of K3 type Magnocraft.
(Opublikowany/published: [1/5] - G1(b), [1/4] - F1(b), [1/3] - F1(c), [1e] - G7, [2e] - G7, [5/3] - 19(B), [5/4] - G2(b) )

[1/5] - Figure/Rysunek G1 (c).
Pokazuje on: Cygaro posobne uformowane z 6 magnokraftów typu K3.
It illustrates: A stacked-cigar configuration formed from 6 Magnocraft type K3.
(Opublikowany/published: [1/5] - G1(c), [1/4] - F1(c), [1/3] - F6(#1), [1e] - F1(a), [2e] - F1(a) )

[1/5] - Figure/Rysunek G2.
Pokazuje on: Zasada pochylania osi magnetycznej pędnika magnokraftu pokazana na przykładzie układu rolek.
It illustrates: Principle of tilting the magnetic propulsor.
(Opublikowany/published: [1/5] - G2, [1/4] - F2, [1/3] - F2, [1e] - G1, [2e] - G1 )

[1/5] - Figure/Rysunek G3.
Pokazuje on: Układ napędowy magnokraftu typu K3 (1 pędnik główny + 8 pędników bocznych).
It illustrates: The magnetic propulsion unit of the Magnocraft.
(Opublikowany/published: [1/5] - G3, [1/4] - F3, [1/3] - F3, [1e] - G2, [2e] - G2 )

[1/5] - Figure/Rysunek G4.
Pokazuje on: Dwie pozycje zajmowane przez magnokraft podczas lotu (a) stojąca, (b) wisząca.
It illustrates: Two alternative flight postions of the Magnocraft: upright and inverted.
(Opublikowany/published: [1/5] - G4, [1/4] - F4, [1/3] - F4, [1e] - G3, [2e] - G3 )

[1/5] - Figure/Rysunek G5.
Pokazuje on: Główne podzespoły magnokraftu.
It illustrates: The Magnocraft type K3 cross-section that shows the design and main features.
(Opublikowany/published: [1/5] - G5, [1/4] - F5, [1/3] - F5, [1e] - F1(a), [2e] - F1(a) )

[1/5] - Figure/Rysunek G6/1.
Pokazuje on: Sześć podstawowych konfiguracji magnokraftów (pokazano je na przykładzie połączeń magnokraftów typu K3): konfiguracja (1) - latające cygaro.
It illustrates: Flying complexes (cigar shaped)of UFOs and Magnocraft.
(Opublikowany/published: [1/5] - G6(#1), [1/4] - F6(#1), [1/3] - F6(#1), [1e] - G6(#1), [2e] - G6(#1), [5/3] - 20/#1, [5/4] - G5(#1), [6/2] - 13(#1), [7/2] - A2(#1) )

[1/5] - Figure/Rysunek G6/2.
Pokazuje on: Sześć podstawowych konfiguracji magnokraftów (pokazano je na przykładzie połączeń magnokraftów typu K3): konfiguracja (2) - zestaw semizespolony.
It illustrates: Semi-attached configuration.
(Opublikowany/published: [1/5] - G6(#2), [1/4] - F6(#2), [1/3] - F6(#2), [1e] - G6(#2), [2e] - G6(#2), [5/3] - 20/#2, [5/4] - G5(#2), [6/2] - 13(#2), [7/2] - A2(#2) )

[1/5] - Figure/Rysunek G6/3.
Pokazuje on: Sześć podstawowych konfiguracji magnokraftów (pokazano je na przykładzie połączeń magnokraftów typu K3): konfiguracja (3) - zestaw niezespolony.
It illustrates: Detached configuration.
(Opublikowany/published: [1/5] - G6(#3), [1/4] - F6(#3), [1/3] - F6(#3), [1e] - G6(#3), [2e] - G6(#3), [5/3] - 20/#3, [5/4] - G5(#3), [6/2] - 13(#3), [7/2] - A2(#3) )

[1/5] - Figure/Rysunek G6/4.
Pokazuje on: Sześć podstawowych konfiguracji magnokraftów (pokazano je na przykładzie połączeń magnokraftów typu K3): konfiguracja (4) - układ podwieszony.
It illustrates: A carrier platform (a mother ship).
(Opublikowany/published: [1/5] - G6(#4), [1/4] - F6(#4), [1/3] - F6(#4), [1e] - G6(#4), [2e] - G6(#4), [5/3] - 20/#4, [5/4] - G5(#4), [6/2] - 13(#4), [7/2] - A2(#4) )

[1/5] - Figure/Rysunek G6/5.
Pokazuje on: Sześć podstawowych konfiguracji magnokraftów (pokazano je na przykładzie połączeń magnokraftów typu K3): konfiguracja (5) - latający system.
It illustrates: A flying system of UFOs and Magnocraft.
(Opublikowany/published: [1/5] - G6(#5), [1/4] - F6(#5), [1/3] - F6(#5), [1e] - G6(#5), [2e] - G6(#5), [5/3] - 20/#5, [5/4] - G5(#5), [6/2] - 13(#5), [7/2] - A2(#5) )

[1/5] - Figure/Rysunek G6/6.
Pokazuje on: Sześć podstawowych konfiguracji magnokraftów (pokazano je na przykładzie połączeń magnokraftów typu K3): konfiguracja (6) - latający kluster.
It illustrates: A flying cluster of several UFOs and Magnocraft.
(Opublikowany/published: [1/5] - G6(#6), [1/4] - F6(#6), [1/3] - F6(#6), [1e] - G6(#6), [2e] - G6(#6), [5/3] - 20/#6, [5/4] - G5(#6), [6/2] - 13(#6), [7/2] - A2(#6) )

[1/5] - Figure/Rysunek G7 (a).
Pokazuje on: Wygląd boczny cygara posobnego zlożonego z 7-miu magnokraftów typu K6.
It illustrates: A "stacked cigar-shaped flying complex" composed of six Magnocraft/UFOs type K6. A side view of the entire complex.
(Opublikowany/published: [1/5] - G7(a), [1/4] - F7(a), [1/3] - F7(a), [1e] - G8(a), [2e] - G8(a), [5/3] - 21(A), [5/4] - G6(a) )

[1/5] - Figure/Rysunek G7 (b).
Pokazuje on: Przekrój poosiowy cygara posobnego złożonego z 6-ciu magnokraftów typu K6. To właśnie takie cygaro eksplodowało w 1178 roku koło Tapanui w Nowej Zelandii - jak to opisane w monografii [5/4].
It illustrates: Axial cross section showing the location of magnetic propulsors.
(Opublikowany/published: [1/5] - G7(b), [1/4] - F7(b), [1/3] - F7(b), [1e] - G8(b), [2e] - G8(b), [5/3] - 219(B), [5/4] - G6(b) )

[1/5] - Figure/Rysunek G8-1.
Pokazuje on: Cygaro przeciw-sobne złożone z 7 magnokraftów typu K3.
It illustrates: A double-ended cigar shaped flying complex.
(Opublikowany/published: [1/5] - G8-1, [1/4] - F8-1, [1/3] - F8(1), [1e] - G9, [2e] - G9 )

[1/5] - Figure/Rysunek G8-2 (a).
Pokazuje on: Przekrój jodełki ukazujący kooperację pędników w poszczególnych wehikułach.
It illustrates: Example of a "fir tree" shaped flying complex. (a) A vertical cross section.
(Opublikowany/published: [1/5] - G8-2(a), [1/4] - F8-2(a), [1/3] - F8(2a), [1e] - G10(a), [2e] - G10(a) )

[1/5] - Figure/Rysunek G8-2 (b).
Pokazuje on: Widok boczny regularnej jodełki (odnotuj że skala wymiarowa NIE została tu zachowana).
It illustrates: Example of a "fir tree" shaped flying complex. (b) A side view.
(Opublikowany/published: [1/5] - G8-2(b), [1/4] - F8-2(b), [1/3] - F8(2b), [1e] - G10(b), [2e] - G10(b) )

[1/5] - Figure/Rysunek G9 (a).
Pokazuje on: Zestaw semizespolony w kształcie szpulki.
It illustrates: A very simple semi-attached configuration of K3 type Magnocraft.
(Opublikowany/published: [1/5] - G9(a), [1/4] - F9(a), [1/3] - F9(a), [1e] - G11, [2e] - G11 )

[1/5] - Figure/Rysunek G9 (b).
Pokazuje on: Zestaw semizespolony w kształcie paciorków.
It illustrates: A "flying necklace" semi-attached configuration.
(Opublikowany/published: [1/5] - G9(b), [1/4] - F9(b), [1/3] - F9(b), [1e] - G12, [2e] - G12 )

[1/5] - Figure/Rysunek G10 (gora).
Pokazuje on: Wygląd zewnętrzny zestawu niezespolonego dwóch magnokraftów typu K7.
It illustrates: An example of K7 detached configuration. (a) External appearence.
(Opublikowany/published: [1/5] - G10(h), [1/4] - F10(h), [1/3] - F10(h), [1e] - G13(h), [2e] - G13(h) )

[1/5] - Figure/Rysunek G10 (dol).
Pokazuje on: Przekrój pionowy przez zestaw niezespolony dwóch magnokraftów typu K7.
It illustrates: Vertical cross-section shopwing the location of propulsors.
(Opublikowany/published: [1/5] - G10(l), [1/4] - F10(l), [1/3] - F10(l), [1e] - G13(l), [2e] - G13(l) )

[1/5] - Figure/Rysunek G11 (a).
Pokazuje on: Nietoperzyca - duży statek matka z magnokraftami małego typu podwieszonymi pod jej pędnikami bocznymi.
[It illustrates: An example of a carrier platform.
(Opublikowany/published: [1/5] - G11(a), [1/4] - F11(a), [1/3] - F11(a), [1e] - G14, [2e] - G14 )

[1/5] - Figure/Rysunek G11 (b).
Pokazuje on: Zygzak - platforma nośna sprzęgnięta z dwóch magnokraftów tego samego typu K6.
It illustrates: A "zig-zag" carrier configuration.
(Opublikowany/published: [1/5] - G11(b), [1/4] - F11(b), [1/3] - F11(b), [1e] - G15, [2e] - G15 )

[1/5] - Figure/Rysunek G12 (a).
Pokazuje on: Przykład latających systemów. (a) Zilustrowana została pojedyńcza cela takiego systemu sprzężona z 16 dyskoidalnych magnokraftów typu K3.
It illustrates: Examples of flying systems. (a) Shown is a single cell of such a system, coupled from 16 discoidal Magnocraft of K3 type.
(Opublikowany/published: [1/5] - G12(a), [1/4] - F12(a), [1/3] - F12(a), [1e] - G16(a), [2e] - G16(a) )

[1/5] - Figure/Rysunek G12 (b).
Pokazuje on: Ogromny latający system dyskoidalnych magnokraftów sprzężony na kształt "piszczałki". Trudno uwierzyć że ów latający kształt sprzężony został z wielu wehikułów o kształcie dysku.
It illustrates: Huge flying system of discoidal Magnocraft shaped into "flutes". It is difficult to believe that this complex flying shape is coupled from many Magnocraft shaped like discs.
(Opublikowany/published: [1/5] - G12(b), [1/4] - F12(b), [1/3] - F12(b), [1e] - G16(b), [2e] - G16(b) )

[1/5] - Figure/Rysunek G12 (c).
Pokazuje on: Latający system w kształcie "plastra miodu". Także i taki latający kształt są w stanie uformować sprzężone ze sobą dyskoidalne magnokrafty.
It illustrates: Flying system shaped as a "honeycomb". Also this flying shape can be formed by coupling together many discoidal Magnocraft.
(Opublikowany/published: [1/5] - G12(c), [1/4] - F12(c), [1/3] - F12(c), [1e] - G16(c), [2e] - G16(c) )

[1/5] - Figure/Rysunek G12 (d).
Pokazuje on: Latający system w kształcie "platformy". Owa prostokątna latająca platforma także może być uformowana poprzez magnetyczne sprzęgnięcie razem wielu dyskoidalnych magnokraftów.
It illustrates: Flying system shaped as a "platform". This rectangular flying platform also can be formed through magnetic coupling together discoidal Magnocraft.
(Opublikowany/published: [1/5] - G12(d), [1/4] - F12(d), [1/3] - F12(d), [1e] - G16(d), [2e] - G16(d) )

[1/5] - Figure/Rysunek G13.
Pokazuje on: Pojedyńcze ogniwo latającego klustera magnokraftów, oraz wzór w zbożu wykładany podczas jego lądowania.
It illustrates: An example of a flying cluster.
(Opublikowany/published: [1/5] - G13, [1/4] - F13, [1/3] - F13, [1e] - G17, [2e] - G17, [5/4] - G7 )

[1/5] - Figure/Rysunek G14_1.
Pokazuje on: Zasada sprzęgania dwóch magnokraftów w locie, zwana "procedurą przez zestaw niezespolony".
It illustrates: Coupling through a detached configuration.
(Opublikowany/published: [1/5] - G14(1), [1/4] - F14(1), [1/3] - F14-1, [1e] - G18, [2e] - G18 )

[1/5] - Figure/Rysunek G14_2.
Pokazuje on: Zasada sprzęgania dwóch magnokraftów w locie zwana "procedurą przez zestaw semizespolony".
It illustrates: Coupling through a semi-attached configuration.
(Opublikowany/published: [1/5] - G14(2), [1/4] - F14(2), [1/3] - F14-2, [1e] - G19, [2e] - G19 )

[1/5] - Figure/Rysunek G15.
Pokazuje on: Ilustracja sił magnetycznych formowanych w konstrukcji magnokraftu. Kiedy siły te zostają nawzajem zbalansowane warunkiem konstrukcyjnym "n = (D/H - 1)", wówczas formują one unikalny "szkielet magnetyczny" jaki nadaje magnokraftowi fizykalnej niezniszczalności.
It illustrates: Magnetic forces that mutually interact within the physical structure of Magnocraft. When these forces are in equalibrium due to meeting the design condition "n = (D/H - 1)", then they form an unique "magnetic framework" which provides Magnocraft with physical undestructibility.
(Opublikowany/published: [1/5] - G15, [1/4] - F15, [1/3] - F15, [1e] - G20, [2e] - G20 )

[1/5] - Figure/Rysunek G16.
Pokazuje on: Pojedyńcza cela latającego systemu magnokraftów pokazana w widoku z góry. (W tym przykładzie cela ta sprzężona jest z magnokraftów typu K3.) Rysunek ten ujawnia dlaczego średnice "d" i "D" magnokraftów związane muszą być ze sobą Równaniem Pitagorasa.
It illustrates: A top view of one cell of flying systems. (In this example the cell is coupled from Magnocraft type K3.) This drawing illustrates the reason why diameters "d" and "D" in Magnocraft must be mutually bind by Pitagoras Equation.
(Opublikowany/published: [1/5] - G16, [1/4] - F16, [1/3] - F16, [1e] - G21, [2e] - G21, [6/2] - 14 )

[1/5] - Figure/Rysunek G17 (a).
Pokazuje on: Pionowy przekrój poosiowy przez latający system sprzęgnięty z magnokraftów typu K3, jaki ilustruje zasadę zazębiania się kolnierzy bocznych tych statków.
It illustrates: Meshing of flanges in flying systems. (a) K3 type Magnocraft.
(Opublikowany/published: [1/5] - G17(a), [1/4] - F17(a), [1/3] - F17(a), [1e] - G22(a), [2e] - G22(a) )

[1/5] - Figure/Rysunek G17 (b).
Pokazuje on: Pionowy przekrój poosiowy przez latający system sprzęgnięty z magnokraftów typu K6. Ilustruje on zasadę zazębiania się kołnierzy magnokraftów typu K6.
It illustrates: Two cigar of K6 type mutually mesched.
(Opublikowany/published: [1/5] - G17(b), [1/4] - F17(b), [1/3] - F17(b), [1e] - G22(b), [2e] - G22(b) )

[1/5] - Figure/Rysunek G17 (c).
Pokazuje on: Pionowy przekrój poosiowy przez latający system sprzęgnięty z magnokraftów typu K7. Ilustruje on zasadę zazębiania się kołnierzy w magnokraftach typu K7 sprzęgniętych w latajacy system.
It illustrates: two cigar of K7 type mutually mesched.
(Opublikowany/published: [1/5] - G17(c), [1/4] - F17(c), [1/3] - F17(c), [1e] - G22(c), [2e] - G22(c) )

[1/5] - Figure/Rysunek G18.
Pokazuje on: Zestaw równań które opisują kształt i wymiary magnokraftów poszczególnych typów.
It illustrates: Equations describing shape and dimensions of the Magnocraft of subsequent types.
(Opublikowany/published: [1/5] - G18, [1/4] - F18, [1/3] - F18, [1e] - G23, [2e] - G23 )

[1/5] - Figure/Rysunek G19 (a/K3).
Pokazuje on: Zarys boczny magnokraftu typu K3 z soczewko-kształtnym kołnierzem.
It illustrates: Outlines of K3 type Magnocraft shown in a side view. Illustrated is the smallest type K3 of this vehicle with a lens-shaped side flange.
(Opublikowany/published: [1/5] - G19(a-K3), [1/4] - F19(a-K3), [1/3] - F19(a-K3), [1e] - G24(K3), [2e] - G24(K3) )

[1/5] - Figure/Rysunek G19 (a/K4).
Pokazuje on: Zarys boczny magnokraftu typu K4 z soczewko-kształtnym kołnierzem.
It illustrates: Outlines of K4 type Magnocraft shown in a side view. Illustrated is type K4 with a lens-shaped side flange.
(Opublikowany/published: [1/5] - G19(a-K4), [1/4] - F19(a-K4), [1/3] - F19(a-K4), [1e] - G24(K4), [2e] - G24(K4) )

[1/5] - Figure/Rysunek G19 (a/K5).
Pokazuje on: Zarys boczny magnokraftu typu K5 z soczewko-kształtnym kołnierzem.
It illustrates: Outlines of K5 type Magnocraft shown in a side view. Illustrated is type K5 with a lens-shaped side flange.
(Opublikowany/published: [1/5] - G19(a-K5), [1/4] - F19(a-K5), [1/3] - F19(a-K5), [1e] - G24(K5), [2e] - G24(K5) )

[1/5] - Figure/Rysunek G19 (a/K6).
Pokazuje on: Zarys boczny magnokraftu typu K6 z soczewko-kształtnym kołnierzem.
It illustrates: Outlines of K6 type Magnocraft shown in a side view. Illustrated is type K6 with a lens-shaped side flange.
(Opublikowany/published: [1/5] - G19(a-K6), [1/4] - F19(a-K6), [1/3] - F19(a-K6), [1e] - G24(K6), [2e] - G24(K6) )

[1/5] - Figure/Rysunek G19 (b/K7).
Pokazuje on: Zarys boczny magnokraftu typu K7 z obręczo-kształtnym kołnierzem bocznym.
It illustrates: Outlines of K7 type Magnocraft shown in a side view. Illustrated is type K7 with a cylinder-shaped side flange.
(Opublikowany/published: [1/5] - G19(b-K7), [1/4] - F19(b-K7), [1/3] - F19(b-K7), [1e] - G24(K7), [2e] - G24(K7) )

[1/5] - Figure/Rysunek G19 (b/K8).
Pokazuje on: Zarys boczny magnokraftu typu K8 z obręczo-kształtnym kołnierzem bocznym.
It illustrates: Outlines of K8 type Magnocraft shown in a side view. Illustrated is type K8 with a cylinder-shaped side flange.
(Opublikowany/published: [1/5] - G19(b-K8), [1/4] - F19(b-K8), [1/3] - F19(b-K8), [1e] - G24(K8), [2e] - G24(K8) )

[1/5] - Figure/Rysunek G19 (b/K9).
Pokazuje on: Zarys boczny magnokraftu typu K9 z obręczo-kształtnym kołnierzem bocznym.
It illustrates: Outlines of K9 type Magnocraft shown in a side view. Illustrated is type K9 with a cylinder-shaped side flange.
(Opublikowany/published: [1/5] - G19(b-K9), [1/4] - F19(b-K9), [1/3] - F19(b-K9), [1e] - G24(K9), [2e] - G24(K9) )

[1/5] - Figure/Rysunek G19(b/K10).
Pokazuje on: Zarys boczny magnokraftu typu K10 z obręczo-kształtnym kołnierzem bocznym.
It illustrates: Outlines of K10 type Magnocraft shown in a side view. Illustrated is the largest type K10 of this vehicle with a cylinder-shaped side flange.
(Opublikowany/published: [1/5] - G19(b-K10), [1/4] - F19(b-K10), [1/3] - F19(b-K10), [1e] - G24(K10), [2e] - G24(K10) )

[1/5] - Figure/Rysunek G20.
Pokazuje on: Metody identyfikowania współczynnika "K" magnokraftu, a tym samym i typu zaobserwowanego wehikułu.
It illustrates: Methods of identifying the magnocraft's type.
(Opublikowany/published: [1/5] - G20, [1/4] - F20, [1/3] - F20, [1e] - G25, [2e] - G25 )

[1/5] - Figure/Rysunek G21.
Pokazuje on: Zasada formowania siły wyporu magnetycznego ponad równikiem ziemskim.
It illustrates: The principle of forming forces of magnetic buoyancy above the Earth's equator.
(Opublikowany/published: [1/5] - G21, [1/4] - F21, [1/3] - F21, [1e] - F1(a), [2e] - B2 )

[1/5] - Figure/Rysunek G22 (a).
Pokazuje on: Formowanie przez magnokraft równoleżnikowej siły napędowej (tj. siły działającej w kierunkach wschód-zachód).
It illustrates: The creation of latitudinal thrust force.
(Opublikowany/published: [1/5] - G22(a), [1/4] - F22(a), [1/3] - F22(a), [1e] - G26, [2e] - G27 )

[1/5] - Figure/Rysunek G22 (b).
Pokazuje on: Tzw. "reguła toczącej się kuli" stosowana do wyznaczania kierunku dziłania równoleżnikowej siły napędowej magnokraftu.
It illustrates: The so-called "rolling sphere rule" used for determing the flight direction of a magnocraft.
(Opublikowany/published: [1/5] - G22(b), [1/4] - F22(b), [1/3] - F22(b), [1e] - G27, [2e] - G27 )

[1/5] - Figure/Rysunek G23.
Pokazuje on: Formowanie momentu obrotowego i pochyłowego przez napęd magnokraftu.
It illustrates: The counteracting of the magnetic whirl.
(Opublikowany/published: [1/5] - G23, [1/4] - F23, [1/3] - F23, [1e] - G28, [2e] - G28 )

[1/5] - Figure/Rysunek G24.
Pokazuje on: Stacjonarne obwody magnetyczne pokazane w magnokrafcie typu K6.
It illustrates: Stationary magnetic circuits in Magnocraft K6 type.
(Opublikowany/published: [1/5] - G24, [1/4] - F24, [1/3] - F24, [1e] - G29, [2e] - G29 )

[1/5] - Figure/Rysunek G25(a).
Pokazuje on: Wirujące obwody magnetyczne magnokraftu typu K6 pokazane w przekroju poosiowym.
It illustrates: The spinning circuits of K6 type Magnocraft. (a) The vertical cross-section.
(Opublikowany/published: [1/5] - G25(a), [1/4] - F25(a), [1/3] - F25(a), [1e] - G30(a), [2e] - G30(a) )

[1/5] - Figure/Rysunek G25 (bc).
Pokazuje on: Widoki boczne wirujących obwodów magnetycznych w magnokrafcie typu K6.
It illustrates: Side view showing magnetic circuits.
(Opublikowany/published: [1/5] - G25(b,c), [1/4] - F25(b,c), [1/3] - F25(b,c), [1e] - G30(b,c), [2e] - G30(b,c) )

[1/5] - Figure/Rysunek G26.
Pokazuje on: Zasada zamiany pulsów pola magnetycznego w wir magnetyczny. Objaśniona ona została na przykładzie magnokraftu typu K3 o n=8 pędnikach bocznych.
It illustrates: principles involved in converting field pulses from side propulsors into a Magnetic whirl.
(Opublikowany/published: [1/5] - G26, [1/4] - F26, [1/3] - F26, [1e] - G31, [2e] - G31 )

[1/5] - Figure/Rysunek G27.
Pokazuje on: Przykład obrazu jonowego wiru magnetycznego - pokazany na przykładzie stacjonarnego magnokraftu typu K3.
It illustrates: An example of the "ionic picture of a whirl".
(Opublikowany/published: [1/5] - G27, [1/4] - F27, [1/3] - F27, [1e] - G32, [2e] - G32 )

[1/5] - Figure/Rysunek G28 (a).
Pokazuje on: Widzialność pędników w magnokrafcie typu K3 - pokazana w widoku od spodu.
It illustrates: Visibility of propulsors in K3 type Magnocraft. (a) The upward view.
(Opublikowany/published: [1/5] - G28(a), [1/4] - F28(a), [1/3] - F28(a), [1e] - G33(a), [2e] - G33(a) )

[1/5] - Figure/Rysunek G28 (b).
Pokazuje on: Widzialność pędników w magnokrafcie typu K3 - pokazana w widoku z boku.
It illustrates: Side view of a detached configuration.
(Opublikowany/published: [1/5] - G28(b), [1/4] - F28(b), [1/3] - F28(b), [1e] - G33(b), [2e] - G33(b) )

[1/5] - Figure/Rysunek G29.
Pokazuje on: Objaśnienie zasady formowania wahlarza pulsów pola magnetycznego na nocnych fotografiach magnokraftów.
It illustrates: Multiple images of glowing magnetic circuits formed by a fast moving Magnocraft.
(Opublikowany/published: [1/5] - G29, [1/4] - F29, [1/3] - F29, [1e] - G34 & J21, [2e] - G34 & K5/#1, [5/3] - 27(#1), [5/4] - H6(#1) )

[1/5] - Figure/Rysunek G30.
Pokazuje on: System "SUB" uformowany z lamp pozycyjnych magnokraftu.
It illustrates: The SUB system of position lamps in the Magnocraft.
(Opublikowany/published: [1/5] - G30, [1/4] - F30, [1/3] - F30, [1e] - G35, [2e] - G35 )

[1/5] - Figure/Rysunek G31.
Pokazuje on: Zasada odparowywania podziemnych tuneli przez lecący magnokraft. (Zdjęcia takich tuneli pokazane są na rysunku O6 z monografii [1/5].)
It illustrates: The illustration of pinciples of forming underground tunnels by UFOs.
(Opublikowany/published: [1/5] - G31, [1/4] - F31, [1/3] - F31, [1e] - G36, [2e] - G36, [5/3] - 29-4, [5/4] - H8/4, [6/2] - 24(4), [7/2] - A5(#4), [8] - E4 )

[1/5] - Figure/Rysunek G32.
Pokazuje on: Formowanie efektu soczewki magnetycznej przez pole magnokraftu. Soczewka taka czyni magnokraft niewidzialnym dla ludzkich oczu i kamer.
It illustrates: The explanation for the magnetic lens effect in ascending Magnocraft/UFOs. It explains why only the outlet from main "twin-chamber capsule" is visible as shown in Figure L5.
(Opublikowany/published: [1/5] - G32, [1/4] - F32, [1/3] - F32, [1e] - G37, [2e] - G37, [5/3] - 22, [5/4] - G4, [6/2] - 16 )

[1/5] - Figure/Rysunek G33.
Pokazuje on: Wpływ wysokości zawisania magnokraftu na kształt lądowiska które ten wehikuł uformuje.
It illustrates: Shapes of marks left by a single Magnocraft (depending on the height of hovering).
(Opublikowany/published: [1/5] - G33, [1/4] - F33, [1/3] - F33, [1e] - G38, [2e] - G38, [5/4] - G3, [6/2] - 15, [7/2] - A3(h) )

[1/5] - Figure/Rysunek G34.
Pokazuje on: Lądowiska dla nisko zawisających magnokraftów lecących w trybie wiru magnetycznego i w trybie bijącym.
It illustrates: Typical marks in hovering close to the ground.
(Opublikowany/published: [1/5] - G34, [1/4] - F34, [1/3] - F34, [1e] - G39, [2e] - G39 )

[1/5] - Figure/Rysunek G35.
Pokazuje on: Lądowiko formowane w sytuacji kiedy obwody magnetyczne statku nawracają wzdłuż powierzchni gruntu.
It illustrates: Landings scorched by an inverted Magnocraft with magnetic circuits looping along surface of the ground.
(Opublikowany/published: [1/5] - G35, [1/4] - F35, [1/3] - F35, [1e] - G40, [2e] - G40 )

[1/5] - Figure/Rysunek G36.
Pokazuje on: Wykładanie roślinności obwodami wirującymi w powietrzu.
It illustrates: Plants swirled by circuits wehirling in the air.
(Opublikowany/published: [1/5] - G36, [1/4] - F36, [1/3] - F36, [1e] - G41, [2e] - G41 )

[1/5] - Figure/Rysunek G37 (a).
Pokazuje on: Kształt i wymiary lądowiska w kształcie "czterolistnej koniczynki", uformowanego przez pojedyńczą celę latającego systemu. (Zdjęcie takiego lądowiska pokazano na rusunku O2.)
It illustrates: Landing of a single cell of a flying system.
(Opublikowany/published: [1/5] - G37(a), [1/4] - F37(a), [1/3] - F37(a), [1e] - G42(a), [2e] - G42(a) )

[1/5] - Figure/Rysunek G37 (b).
Pokazuje on: Kształt i wymiary lądowiska platformy latającego systemu.
It illustrates: Landing of a "platform" flying system.
(Opublikowany/published: [1/5] - G37(b), [1/4] - F37(b), [1/3] - F37(b), [1e] - G42(b), [2e] - G42(b) )

[1/5] - Figure/Rysunek G37 (c).
Pokazuje on: Kształt i wymiary lądowiska kolistego latającego systemu.
It illustrates: Landing of a circular flying system.
(Opublikowany/published: [1/5] - G37(c), [1/4] - F37(c), [1/3] - F37(c), [1e] - G42(c), [2e] - G42(c) )

[1/5] - Figure/Rysunek G38.
Pokazuje on: Zależności matematyczne występujące pomiędzy wymiarami kręgów zbożowych.
It illustrates: Mathematical relationships that exist and can be detected in crop circles.
(Opublikowany/published: [1/5] - G38, [1/4] - F38, [1/3] - F38, [1e] - , [2e] - K12, [5/4] - H12, [6/2] - 29 )

[1/5] - Figure/Rysunek G39(a-K3).
Pokazuje on: Rozkład najważniejszych pomieszczeń magnokraftów. (a-K3) Pomieszczenia w magnokraftach z soczewkowatym kołnierzem bocznym - pokazano typ K3.
It illustrates: The location of most vital compartments in Magnocraft. (a-K3) Illustrated here is the smallest Magnocraft type K3 with a lens-shaped side flange.
(Opublikowany/published: [1/5] - G39(a-K3), [1/4] - F39(a-K3), [1/3] - F39(a-K3) )

[1/5] - Figure/Rysunek G39(a-K4).
Pokazuje on: Rozkład najważniejszych pomieszczeń magnokraftów. (a-K4) Pomieszczenia w magnokraftach z soczewkowatym kołnierzem bocznym - pokazano typ K4.
It illustrates: The location of most vital compartments in Magnocraft. (a-K4) Illustrated here is a medium sized Magnocraft type K4 with a lens-shaped side flange.
(Opublikowany/published: [1/5] - G39(a-K4), [1/4] - F39(a-K4), [1/3] - F39(a-K4) )

[1/5] - Figure/Rysunek G39(a-K5).
Pokazuje on: Rozkład najważniejszych pomieszczeń magnokraftów. (a-K5) Pomieszczenia w magnokraftach z soczewkowatym kołnierzem bocznym - pokazano typ K5.
It illustrates: The location of most vital compartments in Magnocraft. (a-K5) Illustrated here is a medium sized Magnocraft type K5 with a lens-shaped side flange.
(Opublikowany/published: [1/5] - G39(a-K5), [1/4] - F39(a-K5), [1/3] - F39(a-K5) )

[1/5] - Figure/Rysunek G39(a-K6).
Pokazuje on: Rozkład najważniejszych pomieszczeń magnokraftów. (a-K6) Pomieszczenia w magnokraftach z soczewkowatym kołnierzem bocznym - pokazano typ K6.
It illustrates: The location of most vital compartments in Magnocraft. (a-K6) Illustrated here is quite a large Magnocraft type K6 with a lens-shaped side flange.
(Opublikowany/published: [1/5] - G39(a-K6), [1/4] - F39(a-K6), [1/3] - F39(a-K6) )

[1/5] - Figure/Rysunek G39(b-K7).
Pokazuje on: Rozkład najważniejszych pomieszczeń magnokraftów. (b-K7) Pomieszczenia w magnokraftach z obręczowym kołnierzem - pokazano typ K7.
It illustrates: The location of most vital compartments in Magnocraft. (b-K7) Illustrated here is a large Magnocraft type K7 with a cylinder-shaped side flange.
(Opublikowany/published: [1/5] - G39(b-K7), [1/4] - F39(b-K7), [1/3] - F39(b-K7) )

[1/5] - Figure/Rysunek G39(b-K8).
Pokazuje on: Rozkład najważniejszych pomieszczeń magnokraftów. (b-K8) Pomieszczenia w magnokraftach z obręczowym kołnierzem - pokazano typ K8.
It illustrates: The location of most vital compartments in Magnocraft. (b-K8) Illustrated here is a mother-ship Magnocraft type K8 with a cylinder-shaped side flange.
(Opublikowany/published: [1/5] - G39(b-K8), [1/4] - F39(b-K8), [1/3] - F39(b-K8) )

[1/5] - Figure/Rysunek G39(b-K9).
Pokazuje on: Rozkład najważniejszych pomieszczeń magnokraftów. (b-K9) Pomieszczenia w magnokraftach z obręczowym kołnierzem - pokazano typ K9.
It illustrates: The location of most vital compartments in Magnocraft. (b-K9) Illustrated here is a very large Magnocraft type K9 with a cylinder-shaped side flange.
(Opublikowany/published: [1/5] - G39b (K9), [1/4] - F39b (K9), [1/3] - F39(b-K9) )

[1/5] - Figure/Rysunek G39(b-K10).
Pokazuje on: Rozkład najważniejszych pomieszczeń magnokraftów. (b-K10) Pomieszczenia w magnokraftach z obręczowym kołnierzem - pokazano typ K10.
It illustrates: The location of most vital compartments in Magnocraft. (b-K10) Illustrated here is the largest Magnocraft type K10 with a cylinder-shaped side flange.
(Opublikowany/published: [1/5] - G39b (K10), [1/4] - F39b (K10), [1/3] - F39(b-K10) )

[1/5] - Table/Tabela G2.
Pokazuje on: Zależność stosunku wymiarów "D/H" w latających cygarach od współczynnika K i od liczby wehikułów.
It illustrates: The relationship of dimensions in flying complexes of Magnocraft (K versus D/H).
(Opublikowana/published: [1/5] - Tab. G2, [1/4] - Tab. F2, [1/3] - Tab. F2, [1e] - Tab. G2, [2e] - Tab. G2 )




Chapter H - volume 4:

[1/5] - Figure/Rysunek H1.
Pokazuje on: Białe jarzenie pochłaniania wydzielane przez różdżkę radiestezyjną.
It illustrates: A photo of the extraction glow emmited by a diving rod.
(Opublikowany/published: [1/5] - H1, [1/4] - H1, [1/3] - H1, [1e] - C1, [2e] - C1, [8] - L1 )

[1/5] - Figure/Rysunek H2 (góra).
Pokazuje on: Stół lewitowany w Londynie w 1903 roku przez medium psychokinetyczne o nazwisku Eusapia Palladino.
It illustrates: A photo of a table levitated telekinetically by Eusapia Palladino.
(Opublikowany/published: [1/5] - H2(h), [1/4] - H2(h), [1/3] - H2(h), [1e] - D4(h), [2e] - D4(h), [8] - L2(h) )

[1/5] - Figure/Rysunek H2 (dół).
Pokazuje on: Fotografia innego stołu lewitowanego przez Eusapię Palladino - z książki Spirits and Spirit World.
It illustrates: Another table levitating and showing white extraction glow.
(Opublikowany/published: [1/5] - H2(l), [1/4] - H2(l), [1/3] - H2(l), [1e] - D4(l), [2e] - D4(l), [8] - L2(l) )

[1/5] - Figure/Rysunek H3 (lewo).
Pokazuje on: Stołek kuchenny podnoszony fizycznie przez grupę SORRAT - jarzenie pochłaniania nie wystąpiło, stąd widać naturalne kolory stołka.
It illustrates: A table lifted physically (it shows natural colours).
(Opublikowany/published: [1/5] - H3(l), [1/4] - H3(l), [1/3] - H3(l), [1e] - D5(l), [2e] - D5(l), [8] - L3(l) )

[1/5] - Figure/Rysunek H3 (prawo).
Pokazuje on: Ten sam stołek ale tym razem lewitowany telekinetycznie przez grupę SORRAT - tym razem jarzenie pochłaniania pojawiło się.
It illustrates: Te same table lifted telekinetically (it shows white extraction glow).
(Opublikowany/published: [1/5] - H3(r), [1/4] - H3(r), [1/3] - H3(r), [1e] - D5(r), [2e] - D5(r), [8] - L3(r) )

[1/5] - Figure/Rysunek H4 (a).
Pokazuje on: Telekinetyczny spadek temperatury dłoni uzdrowiciela - rozkład o godzinie 10:12 (na początku uzdrawiania).
It illustrates: A telekinetic temperature drop on the hand of a healer (at 10:12).
(Opublikowany/published: [1/5] - H4a, [1/4] - H4(a), [1/3] - H4(a), [1e] - C2(A), [2e] - C2(A), [6/2] - 2(A), [8] - L4(A) )

[1/5] - Figure/Rysunek H4 (b).
Pokazuje on: Telekinetyczny spadek temperatury dłoni uzdrowiciela - rozkład o godzinie 10:14 (tj. po 2 minutach).
It illustrates: A telekinetic temperature drop on the hand of a healer (at 10:14).
(Opublikowany/published: [1/5] - H4b, [1/4] - H4(b), [1/3] - H4(b), [1e] - C2(B), [2e] - C2(B), [6/2] - 2(B), [8] - L4(B) )

[1/5] - Figure/Rysunek H4 (c).
Pokazuje on: Telekinetyczny spadek temperatury dłoni uzdrowiciela - rozkład o godzinie 10:15 (tj. po 3 minutach).
It illustrates: A telekinetic temperature drop on the hand of a healer (at 10:15).
(Opublikowany/published: [1/5] - H4c, [1/4] - H4(c), [1/3] - H4(c), [1e] - C2(C), [2e] - C2(C), [6/2] - 2(C), [8] - L4(C) )

[1/5] - Figure/Rysunek H5.
Pokazuje on: Kierunek działania naporu telekinetycznego (P) w ruchu wirowym.
It illustrates: An elementary Telekinetic Effect.
(Opublikowany/published: [1/5] - H5, [1/4] - H5, [1/3] - H5, [2e] - C3 )




Chapter I - volume 5:

[1/5] - Figure/Rysunek I1.
Pokazuje on: Mr. Alan Plank z Nowej Zelandii ze swoja pompą zaprojektowaną za pomocą wahadełka radiestezyjnego.
It illustrates: Mr Alan Plank with his pump designed by a divining pedulum.
(Opublikowany/published: [1/5] - I1, [1/4] - I2, [1/3] - H2, [1e] - D1, [2e] - D1, [8] - I1 )




Chapter JA - volume 6:

[1/5p] - Rysunek J1 (polski).
Pokazuje on: Logo totalizmu. Zauważ że jego cechą jest m.in., iż działa ono jak talizman szczęścia, czyli przynosi szczęście tym którzy je noszą.
(Opublikowany: [1/5] - J1(Polish), [1/4] - JA1(Polish), [1/3] - I, [8] - H1(Polish) )

[1/5e] - FigureJ1 (English).
It illustrates: The logo of totalizm.
(Published: [1/5] - J1(English), [1/4] - JA1(English), [8] - H1(English)




Chapter JB - volume 7:

[1/5] - Figure/Rysunek J2.
Pokazuje on: Lokomotywa Blenkinsop'a z 1811 roku - napędzana przez koło zębate zapierające się o szyny jak koń nogami.
It illustrates: Blenkinsop's engine built in 1811.
(Opublikowany/published: [1/5] - J2, [1/4] - JB1, [1/3] - O30, [1e] - E1, [2e] - E1, [8] - B1 )




Chapter JE - volume 8 of monograph [1/5] (it is an equivalent of chapter JF from volume 9 of monograph [1/4]):

[1/5] - Figure/Rysunek J3.
Pokazuje on: Mała biała istotka z anonimowej cywilizacji totaliztycznej ujawniająca oznaki nirwany totaliztycznej. To ona podarowała ludzkości piramidę telepatyczną.
It illustrates:: A small wite being from anonymous totaliztic civilisation, which handed the gift for humanity in the form of the telepathic pyramid. This totaliztic alien displays clear signs of experiencing a permanent nirvana.
(Opublikowany/published: [1/5] - J3, [1/4] - JF1, [7/2] - C1 )




Chapter K - volume 9 of monograph [1/5] (it is an equivalent of chapter N from volume 11 of monograph [1/4]):

[1/5] - Figure/Rysunek K1 (góra).
Pokazuje on: Zdjęcie piramidy telepatycznej trzymanej w rękach przez dra Jana Pająka.
It illustrates: A photo of the telepethic pyramid hold by Dr Jan Pająk.
(Opublikowany/published: [1/5] - K1(h), [1/4] - N1(h), [1/3] - N1(h), [5/4] - G8(h), [7/2] - C2(h) )

[1/5] - Figure/Rysunek K1 (dół).
Pokazuje on: Zdjęcie wnętrza piramidy telepatycznej.
It illustrates: Interior of the telepathic pyramid.
(Opublikowany/published: [1/5] - K1(l), [1/4] - N1(l), [1/3] - N1(l), [5/4] - G8(l), [7/2] - C2(l) )

[1/5] - Figure/Rysunek K2.
Pokazuje on: Wyględ i budowa piramidy telepatycznej.
It illustrates: The design of the telepathic pyramid.
(Opublikowany/published: [1/5] - K2, [1/4] - N2, [1/3] - N2, [7] - 1, [7/2] - C3 )

[1/5] - Figure/Rysunek K3.
Pokazuje on: Obwody elektryczne piramidy telepatycznej.
It illustrates: The electric diagram of the telepathic pyramid.
(Opublikowany/published: [1/5] - K3, [1/4] - N3, [1/3] - N3, [7/2] - D1 )

[1/5] - Figure/Rysunek K4.
Pokazuje on: Budowa urządzenia ujawniającego.
It illustrates: The revealing device.
(Opublikowany/published: [1/5] - K4, [1/4] - N4, [1/3] - N4, [7/2] - D2, [8] - L5 )

[1/5] - Figure/Rysunek K5/1.
Pokazuje on: Zdjęcie diabła z Zamku Wysokiego w Malborku.
It illustrates: The devil from the Malbork castle of Teutonic Knights.
(Opublikowany/published: [1/5] - K5/1, [1/4] - N5(1), [1/3] - N5(1) )

[1/5] - Figure/Rysunek K5/2.
Pokazuje on: Zdjęcie diabła z ambony w Rabczycach, Słowacja.
It illustrates: The devil from altar in Rabczyce, Slovakia.
(Opublikowany/published: [1/5] - K5/2, [1/4] - N5(2), [1/3] - N5(2), [4b] - C4(c) )

[1/5] - Figure/Rysunek K5/3.
Pokazuje on: Zdjęcie diabła z "The Unexplained". (Jest to najlepsza znana mi podobizna faktycznego wyglądu "diabła" (UFOnauty). Odnotuj bardzo unikalny dla owych diabłów/UFOli czubek wystającego ku przodowi podbródka z dwoma charakterystycznymi bulwami pośladko-podobnymi. Bulwy te czynią podbródki typowych diabłów/UFOli bardzo podobne do miniaturowego tyłka ludzkiego. Zauważ że średniowieczne czarownice (czyli UFOnautki) także rysowane i opisywane są z takim wystającym ku przodowi, pośladkopodobnym podbródkiem.).
It illustrates: The devil from Journal The Unexplained.
(Opublikowany/published: [1/5] - K5/3, [1/4] - N5(3), [1/3] - N5(3) )

[1/5] - Figure/Rysunek K6.
Pokazuje on: Zdjęcie repliki tzw. "Zhang Heng Seismograph". (Ów seismograf, jest to urządzenie telepatyczne jakie wykrywało nadchodzące trzęsienie ziemi zanim trzęsienie to nadeszło i dokonało zniszczeń. Według mojej oceny urządzenie to jest o co najmniej 100 lat bardziej zaawansowane od dzisiejszych seismografow inercyjnych, które są zdolne wykryć trzęsienie ziemi tylko po fakcie. Po szczegóły patrz podrozdział N6.1 w monografii [1/5]. (Aż do 2010 roku "Sejsmograf Zhang Henga" był wystawiony na widok publiczny w muzeum "Te Papa" z Wellington, Nowa Zelandia. Historię tamtego jego wystawienia, a także powody jego późniejszego raptownego ukrycia zaraz po niszczycielskim trzęsieniu ziemi z Christchurch, omówiłem na stronach internetowych o nazwach seismograph_pl.htm, newzealand_pl.htm, oraz quake_pl.htm.)
It illustrates: The device which is able to predict impending earthquakes enough time in advance that people can escape the damage. (Until 2010 the "Zhang Heng Seismograph" was exhibited for general public in the museum celled "Te Papa" from Wellington, New Zealand. The history of this exhibit, as well as reasons for rapid hiding it after the devastating earthquake from Christchurch, are explained on web pages named seismograph.htm, newzealand.htm, and quake.htm.)
(Opublikowany/published: [1/5] - K6, [1/4] - N6, [1/3] - N6 )




Chapter LA - volume 10 of monograph [1/5] (it is an equivalent of chapter K from volume 10 of monograph [1/4]):

[1/5] - Figure/Rysunek LA1.
Pokazuje on: Działanie silnika telekinetycznego Johnson'a.
It illustrates: The operation of the Johnson telekinetic motor.
(Opublikowany/published: [1/5] - LA1, [1/4] - K1, [1/3] - K1, [1e] - C4, [2e] - C4, [6/2] - 4 )

[1/5] - Figure/Rysunek LA2.
Pokazuje on: Wygląd telekinetycznej N-Machine.
It illustrates: A photo of the telekinetic generator "N-Machine".
(Opublikowany/published: [1/5] - LA2, [1/4] - K2, [1/3] - K2, [1e] - C5, [2e] - C5, [6/2] - 5 )

[1/5] - Figure/Rysunek LA3.
Pokazuje on: Budowa i działanie N-Machine.
It illustrates: The design and operation of N-Machine.
(Opublikowany/published: [1/5] - LA3, [1/4] - K3, [1/3] - K3, [1e] - C6, [2e] - C6, [6/2] - 6 )

[1/5] - Figure/Rysunek LA4.
Pokazuje on: Telekinetyczna influenzmaschine.
It illustrates: Photograph of the Influenzmaschine named Thesta-Distatica.
(Opublikowany/published: [1/5] - LA4, [1/4] - K4, [1/3] - K4 )

[1/5] - Figure/Rysunek LA4 (wersja/version 2).
Pokazuje on: Kolorowe zdjęcie telekinetycznej influenzmaschine.
It illustrates: Photograph of the Influenzmaschine named Thesta-Distatica.
(Opublikowany/published: [1/5] - LA4(2), [1/4] - K4(2), [1/3] - K4(2), [1e] - C7, [2e] - C7, [6/2] - 7 )

[1/5] - Figure/Rysunek LA5 (a).
Pokazuje on: Konstrukcja telekinetycznej influenzmaschine - widok tej maszyny pokazany od tyłu.
It illustrates: Influenzmaschine in a rear view.
(Opublikowany/published: [1/5] - LA5(a), [1/4] - K5(a), [1/3] - K5(a), [6/2] - 9(a) )

[1/5] - Figure/Rysunek LA5 (b).
Pokazuje on: Konstrukcja telekinetycznej influenzmaschine - widok tej maszyny pokazany od przodu (widoczne wszystkie podzespoły).
It illustrates: Influenzmaschine in frontal view.
(Opublikowany/published: [1/5] - LA5(b), [1/4] - K5(b), [1/3] - K5(b), [6/2] - 9(b) )

[1/5] - Figure/Rysunek LA5 (c).
Pokazuje on: Konstrukcja telekinetycznej influenzmaschine - rama (struktura nośna) tej maszyny.
It illustrates: Frame of the Influenzmaschine.
(Opublikowany/published: [1/5] - LA5(c), [1/4] - K5(c), [1/3] - K5(c), [6/2] - 9(c) )

[1/5] - Figure/Rysunek LA5 (d).
Pokazuje on: Konstrukcja telekinetycznej influenzmaschine - schemat kinematyczny tej maszyny.
It illustrates: Kinematic diagram of the Influenzmaschine.
(Opublikowany/published: [1/5] - LA5(d), [1/4] - K5(d), [1/3] - K5(d), [6/2] - 9(d) )

[1/5] - Figure/Rysunek LA5 (e).
Pokazuje on: Konstrukcja telekinetycznej influenzmaschine - widok tej maszyny z boku (pokazano jej wrzecionko).
It illustrates: Side view of the Influenzmaschine, showing the telekinetic spindle.
(Opublikowany/published: [1/5] - LA5(e), [1/4] - K5(e), [1/3] - K5(e), [6/2] - 9(e) )

[1/5] - Figure/Rysunek LA6.
Pokazuje on: Obwody elektryczne telekinetycznej influenzmaschine. Copyright © 1989 by Prof. dr inż. Jan Pająk.
It illustrates: Electric wiring diagram for the telekinetic Influenzmaschine. Copyright © 1989 by Prof. dr eng. Jan Pająk.
(Opublikowany/published: [1/5] - LA6, [1/4] - K6, [1/3] - K6, [6/2] - 10 )

[1/5] - Figure/Rysunek LA7.
Pokazuje on: Schemat elektryczny baterii telekinetycznej.
It illustrates: Electric wiring diagram for telekinetic battery.
(Opublikowany/published: [1/5] - LA7, [1/4] - K7, [1/3] - K7)

[1/5] - Figure/Rysunek LA8(a).
Pokazuje on: Telekinetyczna grzałka wynaleziona przez Mr Davey z Christchurch, Nowa Zelandia. Panuje opinia, że jej sprawność energetyczna przekraczała 2000 % (ja jednak osobiście nie miałem możności przebadania tej grzałki). Moneta ma średnicę 32 mm.
It illustrates: The telekinetic heater invented by Mr Davey of Christchurch, New Zealand. It is believed that the energy efficiency of this heater was at the level of 2000 % (unfortunately, I have not had an opportunity to research this heater). The coin diameter is 32 mm.
(Opublikowany/published: [1/5] - LA8, [1/4] - K8, [1/3] - K8, boiler.htm - #B1)

[1/5] - Figure/Rysunek LA8(b).
Pokazuje on: Mr P. Davey - wynalazca telekinetycznej grzałki (po prawej) oraz ja - dr Jan Pająk (po lewej). Sfotografowani w 1990 roku, Christchurch, Nowa Zelandia.
It illustrates: Mr P. Davey of Christchurch, New Zealand - the inventor of the telekinetic heater (on the right) and myself - Dr Jan Pajak (on the left). Photographed in Christchurch, New Zealand, 1990.
(Opublikowany/published: [1/5] - LA8(2), [1/4] - K8(2), [1/3] - K8(2), boiler.htm - #B3)

[1/5] - Figure/Rysunek LA8(c).
Pokazuje on: Podzespoły składowe i ogólna konstrukcja telekinetycznej grzałki wynalezionej przez P. Davey - oznaczenia pokrywają się z opisem tej grzałki w podrozdziałe K3.3 monografii [1/5] (courtezy "szod".)
It illustrates: Components and general design of the telekinetic heater invented by Mr P. Davey of Christchurch - symbols on this drawing correspond to the description from subsection K3.3 of monograph [1/5]. (Courtezy "szod".)
(Opublikowany/published: [1/5] - LA8(3), [1/4] - K8(3), [1/3] - K8(3), boiler.htm - #B2)

[1/5] - Figure/Rysunek LA8(d).
Pokazuje on: wygląd "grzałki sonicznej" Pana Davey, pokazanej mi w 2008 roku.
It illustrates: appearance of the "sonic boiler" of Mr Davey, shown to me in 2008.
(Opublikowany/published: [1/5] - LA8(d), boiler.htm - #D1 )

[1/5] - Figure/Rysunek LA8(e).
Pokazuje on: Pan Davey w lutym 2008 roku demonstrujący mi swoją "grzałkę soniczną"
It illustrates: Mr Davey photographed in February 2008 while showing to me his "sonic boiler".
(Opublikowany/published: [1/5] - LA8(e), boiler.htm - #A1 )

[1/5] - Figure/Rysunek LA8(f).
Pokazuje on: zagotowywanie wody przez "grzałkę soniczną" Pana Davey, w lutym 2008 roku.
It illustrates: boiling a glass of water by the "sonic boiler" of Mr Davey, in February 2008.
(Opublikowany/published: [1/5] - LA8(f), boiler.htm - #E2c )

[1/5] - Figure/Rysunek LA9 (a).
Pokazuje on: Ewolucja idei technicznej od prototypu do wdrożenia - działanie aelopile zbudowanej przez Hero z Aleksandrii, 130 BC.
It illustrates: The aeolipile build by Hero from Alexandria, 130 BC).
(Opublikowany/published: [1/5] - LA9(a), [1/4] - K9(a), [1/3] - K8(a), [1e] - C9(a), [2e] - C9(a), [6/2] - 30(a) )

[1/5] - Figure/Rysunek LA9 (b).
Pokazuje on: Ewolucja idei technicznej od prototypu do wdrożenia - działanie turbiny parowej zbudowanej przez C.A. Persona w 1884 roku. Turbina ta wdraża technicznie ideę aelopile.
It illustrates: Steam turbine (C.A. Parsons, 1884). This turbine implements technically the idea of aelopile.
(Opublikowany/published: [1/5] - LA9(b), [1/4] - K9(b), [1/3] - K8(b), [1e] - C9(b), [2e] - C9(b), [6/2] - 30(b) )

[1/5] - Figure/Rysunek LA10.
Pokazuje on: działanie "thesta-distatica".
It illustrates: operation of "thesta-distatica".
(Opublikowany/published: [1/5] - LA10, [1e] - B10 )

[1/5p] - Tablica LA1.
Pokazuje on: Tablica cykliczności dla urządzeń energetycznych.
(Opublikowana: [1/5] - Tab. LA1(Polish), [1/4] - Tab. K1(Polish), [1/3] - Tab. K1 )

[1/5e] - Table LA1:
It illustrates: A periodic table showing power producing devices.
(Published: [1/5] - Tab. LA1(English), [1/4] - Tab. K1(English), [1/3] - K1(a), [1e] - Tab. C1, [2e] - Tab. C1 )




Chapter LC - volume 10 of monograph [1/5] (it is an equivalent of chapter L from volume 10 of monograph [1/4]):

[1/5] - Figure/Rysunek LC1/1.
Pokazuje on: Przykład wyglądu wehikułu czteropędnikowego pierwszej generacji.
It illustrates: The appearence of the four-propulsor vehicle of the 1st generation.
(Opublikowany/published: [1/5] - LC1(1), [1/4] - L1(1), [1/3] - L1(1) )

[1/5] - Figure/Rysunek LC1/2.
Pokazuje on: Wygląd wehikułu czteropędnikowego drugiej generacji.
It illustrates: The appearence of the four-propulsor vehicle of the 2nd generation.
(Opublikowany/published: [1/5] - LC1(2), [1/4] - L1(2), [1/3] - L1(2) )

[1/5] - Figure/Rysunek LC1/3.
Pokazuje on: Porównawczy wygląd wehikułu czteropędnikowego trzeciej generacji.
It illustrates: The appearence of the four-propulsor vehicle of the 3rd generation.
(Opublikowany/published: [1/5] - LC1(3), [1/4] - L1(3), [1/3] - L1(3) )




Chapter M - volume 11 of monograph [1/5] (it is an equivalent of chapter M from volume 10 of monograph [1/4]):

[1/5] - Figure/Rysunek M1a.
Pokazuje on: Rysunek objaśniający ogólny wygląd wehikułu czasu.
It illustrates: The general appearence of the time vehicle.
(Opublikowany/published: [1/5] - M1a, [1/4] - P15a, immortality_pl.htm - #G1a )

[1/5] - Figure/Rysunek M1b.
Pokazuje on: czarno-białe zdjęcie wehikułu czasu.
It illustrates: a black-white photograph of a time vehicle.
(Opublikowany/published: [1/5] - M1b, [4c] - Z_1_C9, immortality_pl.htm - #G1b )

[1/5] - Figure/Rysunek M1c.
Pokazuje on: kolorowe zdjęcie wehikułu czasu lecącego w pozycji wiszącej.
It illustrates: a colour photograph of time vehicle flying in a hanging position.
(Opublikowany/published: [1/5] - M1c, [4c] - Z_1_B3, immortality_pl.htm - #G1c )

[1/5] - Figure/Rysunek M1d.
Pokazuje on: kolorowe zdjęcie wehikułu czasu lecącego w pozycji stojącej.
It illustrates: a colour photograph of time vehicle flying in a standing position.
(Opublikowany/published: [1/5] - M1d, immortality_pl.htm - #G1d )

[1/5] - Figure/Rysunek M2/1.
Pokazuje on: Przykład wyglądu wehikułu czteropędnikowego pierwszej generacji.
It illustrates: The appearence of the four-propulsor vehicle of the 1st generation.
(Opublikowany/published: [1/5] - M2(1), [1/4] - M1(1), [1/3] - M1(1) )

[1/5] - Figure/Rysunek M2/2.
Pokazuje on: Porównawczy wygląd wehikułu czteropędnikowego drugiej generacji.
It illustrates: The appearence of the four-propulsor vehicle of the 2nd generation.
(Opublikowany/published: [1/5] - M2(2), [1/4] - M1(2), [1/3] - M1(2) )

[1/5] - Figure/Rysunek M2/3.
Pokazuje on: Wygląd wehikułu czteropędnikowego trzeciej generacji.
It illustrates: The appearence of the four-propulsor vehicle of the 3rd generation.
(Opublikowany/published: [1/5] - M2(3), [1/4] - M1(3), [1/3] - M1(3) )




Chapter ND - volume 12 of monograph [1/5] (it is an equivalent of chapter J from volume 6 of monograph [8/2]):

[1/5] - Figure/Rysunek N1.
Pokazuje on: Hinduskiego Boga-Małpę.
It illustrates: Monkey-God from Hinduism.
(Opublikowany/published: [1/5] - N1, [8/2] - J1, god.htm - #B2a )




Chapter OD - volume 13 of monograph [1/5] (it is an equivalent of chapter JD from volume 8 of monograph [1/4]):

[1/5] - Figure/Rysunek O1.
Pokazuje on: Wygląd indyjskiego deity zwanego Murugan - protoplastę dla dzisiejszych "symulacji" UFOnautów.
It illustrates: The appearence of the Indian god Murugan - a blueprint for present "simulations" of UFOnauts.
(Opublikowany/published: [1/5] - O1, immortality.htm - #B1, parasitism.htm - #1 )




Chapter P - volume 14 (it is an equivalent of chapter P from volume 13 of monograph [1/4]):
Notice that below only very short descriptions are provided under each illustration. The full text of descriptions for Figures shown below is provided at the end of the chapter in monograph [1/5e], which is illustrated by given Figures (i.e. complete captions under subsequent illustrations for this chapter P, are provided at the end of chapter P from volume 14 of monograph [1/5]).

[1/5] - Figure/Rysunek P1.
Pokazuje on: Fotografia UFO typu K3 z Yungay, Peru, 1967.
It illustrates: Comparison of Magnocraft type K3 and a UFO type K3. A photograph of a UFO type K3.
(Opublikowany/published: [1/5] - P1, [1/4] - P1, [1/3] - O1, [1e] - J1, [2e] - K1, [5/3] - 24, [5/4] - H2, [6/2] - 18 )

[1/5] - Figure/Rysunek P1 (wersja/version 2).
Pokazuje on: Fotografia UFO typu K3 z Yungay, Peru, 1967 (zreprodukowana w kolorze).
It illustrates: Comparison of Magnocraft type K3 and a UFO type K3. A colour version of the photograph of the same UFO type K3.
(Opublikowany/published: [1/5] - P1(2), [1/4] - P1(2), [1/3] - O1(2) )

[1/5] - Figure/Rysunek P1 (obramowany).
Pokazuje on: Wygląd magnokraftu typu K3.
It illustrates: A drawing of Magnocraft type K3 in the sdame position as that UFO.
(Opublikowany/published: [1/5] - P1(obramowany), [1/4] - P1(framed), [1/3] - O1(framed), [1e] - J1(framed), [2e] - K1(framed), [5/3] - 24(framed), [5/4] - H2(framed), [6/2] - 18(framed) )

[1/5] - Figure/Rysunek P2 (a).
Pokazuje on: Zdjęcie kołnierza bocznego w UFO typu K5 (Zanesville, Ohio, 13 listopada 1966).
It illustrates: A UFO typer K5 by Ralph Ditter over Zanesville . Note outlines of the vehicle's flange revealed by the line of shade.
(Opublikowany/published: [1/5] - P2a, [1/4] - P2(a), [1/3] - O2(a), [1e] - J2 )

[1/5] - Figure/Rysunek P2 (b).
Pokazuje on: Zdjęcie wklęsłości spodniej u UFO (ponad Passaic, New Jersey, 29 lipca 1952).
It illustrates: A UFO taken by George Stock, Passaic .
(Opublikowany/published: [1/5] - P2b, [1/4] - P2(b), [1/3] - O2(b), [1e] - J3 )

[1/5] - Figure/Rysunek P3.
Pokazuje on: Zarys kolumny centralnej i sufitu UFO (1966 rok).
It illustrates: A cigar-shaped UFO taken from above by Inake Oses .
(Opublikowany/published: [1/5] - P3, [1/4] - P3, [1/3] - O3, [1e] - J4 )

[1/5] - Figure/Rysunek P4 (góra).
Pokazuje on: Ścianki boczne kabiny załogi w UFO typu K4 (Rudi Nagora, 1971 rok).
It illustrates: Frame no 9 of a K4 UFO by Rudi Nagora . A whole photo.
(Opublikowany/published: [1/5] - P4(h), [1/4] - P4(h), [1/3] - O4(h), [1e] - J5(a) )

[1/5] - Figure/Rysunek P4 (góra: wersja/version 2).
Pokazuje on: Ścianki boczne kabiny załogi w UFO typu K4 (Rudi Nagora, 1971 rok).
It illustrates: Another frame no 9 of a K4 UFO by Rudi Nagora (this time in colour). A whole photo.
(Opublikowany/published: [1/5] - P4(h-2), [1/4] - P4(h-2), [1/3] - O4(h-2) )

[1/5] - Figure/Rysunek P4 (dół).
Pokazuje on: Powiększenie UFO Rudi Nagora z górnego zdjęcia.
It illustrates: Rudi's Nagora enlargement of the vehicle.
(Opublikowany/published: [1/5] - P4(l), [1/4] - P4(l), [1/3] - O4(l), [1e] - J5(b) )

[1/5] - Figure/Rysunek P5.
Pokazuje on: UFO typu K8 nad Grenoble, Francja (1971 rok).
It illustrates: A K8 UFO from Grenoble, France .
(Opublikowany/published: [1/5] - P5, [1/4] - P5, [1/3] - O5, [1e] - J6 )

[1/5] - Figure/Rysunek P6 (a).
Pokazuje on: Zdjęcie największego znanego UFO typu K10 (Tijuca, Brazylia, 1952 rok).
It illustrates: A K10 UFO over Bara de Tijuca, Brasil . A whole photograph.
(Opublikowany/published: [1/5] - P6(a), [1/4] - P6(a), [1/3] - O6(a), [1e] - J8(a) )

[1/5] - Figure/Rysunek P6 (b).
Pokazuje on: Powiększenie UFO typu K10 z Tijuca, Brazylia.
It illustrates: An enlargement of the Bara de Tijuca UFO type K10 .
(Opublikowany/published: [1/5] - P6(b), [1/4] - P6(b), [1/3] - O6(b), [1e] - J8(b) )

[1/5] - Figure/Rysunek P6 (b: wersja/version 2).
Pokazuje on: Jeszcze jedno powiększenie UFO typu K10 z Tijuca, Brazylia.
It illustrates: Another enlargement of the Bara de Tijuca UFO type K10 .
(Opublikowany/published: [1/5] - P6(b-2), [1/4] - P6(b-2), [1/3] - O6(b-2) )

[1/5] - Figure/Rysunek P7.
Pokazuje on: Teleskopowe nogi UFO widoczne na zdjęciu z Yorba Linda, USA.
It illustrates: The so-called Yorba Linda UFO photo .
(Opublikowany/published: [1/5] - P7, [1/4] - P7, [1/3] - O7, [1e] - J9 )

[1/5] - Figure/Rysunek P8.
Pokazuje on: Tablica starająca się zestawić różnorodność kształtów UFO przygotowana przez Knut'a Aasheim.
It illustrates: One of Tables that combine different shapes of UFOs.
(Opublikowany/published: [1/5] - P8, [1/4] - P8, [1/3] - O8, [1e] - J10 )

[1/5] - Figure/Rysunek P9 (ab).
Pokazuje on: Wygląd boczny kulistego kompleksu magnokraftów typu K3.
It illustrates: Spherical flying complex of two UFOs type K6. Shown are side appearences of such a spherical flying complex, but composed of two Magnocraft type K3.
(Opublikowany/published: [1/5] - P9ab, [1/4] - P9(a,b), [1/3] - O9(a,b), [2e] - K2(a,b), [5/3] - 25(a,b), [5/4] - H3(a,b) )

[1/5] - Figure/Rysunek P9 (c).
Pokazuje on: Fotografia UFO typu K6 wykonana przez Thorna ze Szwecji. Zdołała ona doskonale uchwycić niemal wszelkie szczegóły kształtu kulistego kompleksu UFO typu K6 (z tego powodu ta właśnie fotografia UFO jest szczególnie często sabotażowana przez UFOnautów).
It illustrates: Photograph of Thorns spherical UFO type K6.
(Opublikowany/published: [1/5] - P9c, [1/4] - P9(c), [1/3] - O9(c), [1e] - J11(a), [2e] - K2(c), [5/3] - 25(c), [5/4] - H3(c), [6/2] - 19(a) )

[1/5] - Figure/Rysunek P9 (d).
Pokazuje on: Powiększenie kulistego UFO typu K6 z fotografii Thorna.
It illustrates: Enlargement of UFOs from Thorns photo.
(Opublikowany/published: [1/5] - P9d, [1/4] - P9(d), [1/3] - O9(d), [1e] - J11(b), [2e] - K2(d), [5/3] - 25(d), [5/4] - H3(d), [6/2] - 19(b) )

[1/5] - Figure/Rysunek P9 (e).
Pokazuje on: Rekonstrukcja kształtu UFO Thorna wykonana przez grupę GICOFF ze Sztokholmu.
It illustrates: Shape of Thorns UFO in GICOFF reconstruction.
(Opublikowany/published: [1/5] - P9e, [1/4] - P9(e), [1/3] - O9(e), [1e] - J11(c), [2e] - K2(e), [5/3] - 25(e), [5/4] - H3(e), [6/2] - 19(c) )

[1/5] - Figure/Rysunek P10 (a).
Pokazuje on: Cygaro UFO sfotografowane w Palomar Gardens, USA, 1952 rok.
It illustrates: Cigar-shaped UFO from Palomar Gardens, 1952.
(Opublikowany/published: [1/5] - P10a, [1/4] - P10(a), [1/3] - O10(a), [1e] - J12(a), [2e] - K3(a), [6/2] - 20(a) )

[1/5] - Figure/Rysunek P10 (b).
Pokazuje on: Cygaro UFO sfotografowane przez policję w Palermo, Sycylia, Włochy, 1978 rok.
It illustrates: Cigar-shaped UFO from Palermo, Sicily, 1978.
(Opublikowany/published: [1/5] - P10b, [1/4] - P10(b), [1/3] - O10(b), [1e] - J12(b), [2e] - K3(b), [6/2] - 20(b) )

[1/5] - Figure/Rysunek P10 (c).
Pokazuje on: Cygaro UFO nad Nowym Jorkiem, 1950 rok.
It illustrates: Cigar-shaped UFO above New York, 1950.
(Opublikowany/published: [1/5] - P10c, [1/4] - P10(c), [1/3] - O10(c), [1e] - J12(c), [2e] - K3(c), [5/4] - H4(h), [6/2] - 20(c) )

[1/5] - Figure/Rysunek P10 (d).
Pokazuje on: Powiększenie cygara z Nowego Jorku - z czesci (c).
It illustrates: An enlargement of the cigar-shaped UFO from New York shown in part (c).
(Opublikowany/published: [1/5] - P10d, [1/4] - P10(d), [1/3] - O10(d), [1e] - J12(d), [2e] - K3(d), [5/4] - H4(l), [6/2] - 20(d) )

[1/5] - Figure/Rysunek P11 (a).
Pokazuje on: Rysunek wehikułu UFO w kształcie choinki - Anglia, 1977 rok (obserwowany przez Josephine Hewison).
It illustrates: A fir-tree UFO drawn by Mrs. Hewison of Wales, UK.
(Opublikowany/published: [1/5] - P11a, [1/4] - P11(a), [1/3] - O11(a), [1e] - J13(a) )

[1/5] - Figure/Rysunek P11(b).
Pokazuje on: Rysunek wehikułu UFO w kształcie choinki - Tasmania, 1994 rok (zaobserwowany przez Mrs. W.).
It illustrates: The UFO drawn by Mrs W., Tasmania, Australia.
(Opublikowany/published: [1/5] - P11b, [1/4] - P11(b), [1/3] - O11(b), [1e] - J13(b))

[1/5] - Figure/Rysunek P12.
Pokazuje on: Rekonstrukcja widza pokazująca konfigurację niezespoloną UFO typu K3.
It illustrates: A detached configuration of two K3 type UFOs.
(Opublikowany/published: [1/5] - P12, [1/4] - P12, [1/3] - O12, [1e] - J14 )

[1/5] - Figure/Rysunek P13(a).
Pokazuje on: Cała fotografia semizespolonego zestawu UFO typu K6 z Oregon (1966 rok).
It illustrates: The so-called Oregon UFO.
(Opublikowany/published: [1/5] - P13a, [1/4] - P13(a), [1/3] - O13(a), [1e] - )

[1/5] - Figure/Rysunek P13(b).
Pokazuje on: Powiększenie fotografii UFO typu K6 z Oregon.
It illustrates: The so-called Oregon UFO (an enlargement).
(Opublikowany/published: [1/5] - P13b, [1/4] - P13(b), [1/3] - O13(b), [1e] - J15 )

[1/5] - Figure/Rysunek P14.
Pokazuje on: Zdjęcie platformy nośnej UFO typu K5 (USA, 1967 rok).
It illustrates: A carrier platform over New Jersey, USA.
(Opublikowany/published: [1/5] - P14, [1/4] - P14, [1/3] - O14, [1e] - J16 )

[1/5] - Figure/Rysunek P15 (a).
Pokazuje on: Rozłożenie pędników w magnokrafcie typu K3 oglądanym od spodu.
It illustrates: The location of propulsors in UFOs and Magnocraft. Magnocraft type K3 propulsors shown from below.
(Opublikowany/published: [1/5] - P15a, [1/4] - P15(a), [1/3] - O15(a), [1e] - J17(A), [2e] - K4(a), [5/3] - 26(a), [5/4] - H5(a), [6/2] - 21(a) )

[1/5] - Figure/Rysunek P15 (b).
Pokazuje on: Zdjęcie pędników UFO typu K3 sfotografowanych od spodu. Butterworth kolo Penang, Malezja (z uwagi na dowodowe znaczenie tego zdjęcia, jest ono często sabotażowane na moich stronach przez UFOnautów).
It illustrates: Photo of a UFO type K3 from below, that reveals the location of vehicle's magnetic propulsors.
(Opublikowany/published: [1/5] - P15b, [1/4] - P15(b), [1/3] - O15(b), [1e] - J17(B), [2e] - K4(b), [5/3] - 26(b), [5/4] - H5(b), [6/2] - 21(b) )

[1/5] - Figure/Rysunek P16.
Pokazuje on: Motunau Beach UFO typu K5, uwidaczniające swoje pędniki boczne (Nowa Zelandia, 1979 rok).
It illustrates: The Motunau Beach UFO, New Zealand .
(Opublikowany/published: [1/5] - P16, [1/4] - P16, [1/3] - O16, [1e] - J18 )

[1/5] - Figure/Rysunek P17(a).
Pokazuje on: Słupy światła wytwarzane i rzucane na ziemię w japonii przez pędniki UFO typu K3.
It illustrates: A night photo of a K3 UFO with a searchlight.
(Opublikowany/published: [1/5] - P17a, [1/4] - P17, [1/3] - O17, [1e] - J29 )

[1/5] - Figure/Rysunek P17(b).
Pokazuje on: Słupy światła wytwarzane i rzucane na ziemię przez pędniki UFO ukryte w chmurach.
It illustrates: columns of light beamed to the Earth by propulsors of a UFO vehicle.
(Opublikowany/published: [1/5] - P17b, [1/4] - P17b )

[1/5] - Figure/Rysunek P18_1.
Pokazuje on: Zasada ujawniania pulsacji pola UFO.
It illustrates: Principle that reveals pulsations of UFOs magnetic field.
(Opublikowany/published: [1/5] - P18(1), [1/4] - P18(1), [1/3] - O18(1), [1e] - )

[1/5] - Figure/Rysunek P18_2.
Pokazuje on: Szybko poruszające się UFO z Chamberlain, USA. Pokazuje ono pulsy pola magnetycznego.
It illustrates: Fast flying UFO from Chamberlain. Pulses in ionised air are clearly visible.
(Opublikowany/published: [1/5] - P18(2), [1/4] - P18(2), [1/3] - O18(2), [1e] - J21(a), [2e] - K5/#2, [5/3] - 27(#2), [5/4] - H6/2, [6/2] - 22(a) )

[1/5] - Figure/Rysunek P18_3.
Pokazuje on: Pulsujące pole UFO uchwycone przez Karla Maier w 1962 roku.
It illustrates: Pulsating UFO of Karl Maier taken in 1962.
(Opublikowany/published: [1/5] - P18(3), [1/4] - P18(3), [1/3] - O18(3), [1e] - J21(b), [2e] - K5/#3, [5/3] - 27(#3), [5/4] - H6/3, [6/2] - 22(b) )

[1/5] - Figure/Rysunek P18_4.
Pokazuje on: Jeszcze jeden wachlarz warstewek powietrza zjonizowanego przez silne pulsujące pole szybko przemieszczającego się UFO.
It illustrates: Another fan-shape made of UFO magnetic circuits.
(Opublikowany/published: [1/5] - P18(4), [1/4] - P18(4), [1/3] - O18(4), [1e] - )

[1/5] - Figure/Rysunek P18_5.
Pokazuje on: Foto całej powierzchni UFO z wachlarzem warstewek powietrza zjonizowanego przez silne pulsujące pole szybko przemieszczającego się UFO.
It illustrates: A phto of an entire surface of UFO revealing a fan-shape made of UFO magnetic circuits.
(Opublikowany/published: [1/5] - P18(5), [1/4] - P18(5), [1/3] - O18(5), [1e] - )

[1/5] - Figure/Rysunek P19 (ab).
Pokazuje on: Obwody magnetyczne magnokraftu typu K6 w widoku z boku i od góry.
It illustrates: Magnetic circuits and magnetic whirl. The formation of magnetic circuits by propulsion system of Magnocraft.
(Opublikowany/published: [1/5] - P19(a,b), [1/4] - P19(a,b), [1/3] - O19(a,b), [1e] - G29, [2e] - G29 & K6(a,b), [5/3] - 28(a,b), [5/4] - H7(a,b), [6/2] - 23(a,b) )

[1/5] - Figure/Rysunek P19 (c).
Pokazuje on: Fotografia boczna obwodów magnetycznych w klusterze UFO typu K6.
It illustrates: Side photograph of UFOs, which illustrate the course of their magnetic circuits.
(Opublikowany/published: [1/5] - P19(c), [1/4] - P19(c), [1/3] - O19(c), [1e] - J20, [2e] - K6(c), [5/3] - 28(c), [5/4] - H7(c), [6/2] - 23(c) )

[1/5] - Figure/Rysunek P19 (d).
Pokazuje on: Fotografia oddolna pędnika głównego UFO typu K6 pokazująca wirujące obwody magnetyczne rozchodzące się z tego pędnika.
It illustrates: Fragment of UFO magnetic circuits just around the main propulsor, taken from below.
(Opublikowany/published: [1/5] - P19(d), [1/4] - P19(d), [1/3] - O19(d), [1e] - J19, [2e] - K6(d), [5/3] - 28(d), [5/4] - H7(d), [6/2] - 23(d) )

[1/5] - Figure/Rysunek P20.
Pokazuje on: Jonowy obraz wiru UFO typu K4 jakie wylądowało w Genui, Wlochy.
It illustrates: A landed UFO at night in Genui, Italy. It shows a jonic picture of the magnetic whirl.
(Opublikowany/published: [1/5] - P20, [1/4] - P20, [1/3] - O20, [1e] - J22 )

[1/5] - Figure/Rysunek P21 (a).
Pokazuje on: Jonowy obraz wiru UFO typu K7 z Oregonu, USA, 1950 rok.
It illustrates: Two ionic pictures of a UFO magnetic whirl. (a) A K7 UFO by Paul Trent.
(Opublikowany/published: [1/5] - P21a, [1/4] - P21(a), [1/3] - O21(a), [1e] - J23(a) )

[1/5] - Figure/Rysunek P21 (b).
Pokazuje on: Jonowy obraz wiru UFO typu K8 z Rouen, Francja, 1954 rok.
It illustrates: Two ionic pictures of a UFO magnetic whirl. (b) A K8 UFO by a pilot over Rouen, France.
(Opublikowany/published: [1/5] - P21b, [1/4] - P21(b), [1/3] - O21(b), [1e] - J23(b) )

[1/5] - Figure/Rysunek P22 (a).
Pokazuje on: UFO lecące bardzo szybko w trybie wiru magnetycznego (Mayor Island, Nowa Zelandia, 1973 rok).
It illustrates: An extremely fast UFO by Mrs Edwards B. (a) The entire frame.
(Opublikowany/published: [1/5] - P22a, [1/4] - P22(a), [1/3] - O22(a), [1e] - J24(a) )

[1/5] - Figure/Rysunek P22 (b).
Pokazuje on: Powiększenie owego bardzo szybko lecącego wehikułu UFO.
It illustrates: An extremely fast UFO by Mrs Edwards B. (b) The bow-up of the flying UFO.
(Opublikowany/published: [1/5] - P22b, [1/4] - P22(b), [1/3] - O22(b), [1e] - J24(b) )

[1/5] - Figure/Rysunek P23.
Pokazuje on: Nocne zdjęcie kompleksu kulistego UFO typu K3 lecącego w trybie wiru magnetycznego (Kaikoura, Nowa Zelandia).
It illustrates: A night UFO over Kaikoura, New Zealand.
(Opublikowany/published: [1/5] - P23, [1/4] - P23, [1/3] - O23, [1e] - J26 )

[1/5] - Figure/Rysunek P24 (a).
Pokazuje on: Nocne zdjęcie UFO typu K3 w trybie bijącym (Tulsa, Oklahoma, USA, 1965 rok) - widoczne niebieskie jarzenie się powietrza na wylocie z pędnika głównego, oraz pomarańczowe jarzenie się powietrza na wylocie z pędników bocznych.
It illustrates: A night photo of a UFO over Tulsa.
(Opublikowany/published: [1/5] - P24(a), [1/4] - P24(a), [1/3] - O24(a), [1e] - J25 )

[1/5] - Figure/Rysunek P24 (b).
Pokazuje on: Nocne zdjęcie UFO typu K5 w trybie bijącym (nad Alberton, Południowa Australia, 1967 rok) - widać pomarańczowe jarzenie się powietrza na wylocie z pędnika głównego, oraz niebieskie jarzenie się powietrza na wylotach z pędników bocznych.
It illustrates: A K5 UFO at night in the throbbing operation.
(Opublikowany/published: [1/5] - P24(b), [1/4] - P24(b), [1/3] - O24(b), [1e] - J28 )

[1/5] - Figure/Rysunek P24 (b: wersja/version 2).
Pokazuje on: Nocne zdjęcie UFO typu K5 w trybie bijącym (nad Alberton, Południowa Australia, 1967 rok) - widać pomarańczowe jarzenie się powietrza na wylocie z pędnika głównego, oraz niebieskie jarzenie się powietrza na wylotach z pędników bocznych.
It illustrates: Other photo from the series whown in P24 (b) - this time in black and white.
(Opublikowany/published: [1/5] - P24(b-2), [1/4] - P24(b-2), [1/3] - O24(b-2) )

[1/5] - Figure/Rysunek P25.
Pokazuje on: UFO typu K3 ukryte poza soczewką magnetyczną.
It illustrates: A UFO hidden behind a magnetic lens.
(Opublikowany/published: [1/5] - P25, [1/4] - P25, [1/3] - O25, [1e] - J27 )

[1/5] - Figure/Rysunek P26.
Pokazuje on: Hiszpańskie UFO typu K7 ukazujące zjawisko soczewki magnetycznej przy pędnikach.
It illustrates: A K7 UFO over San Jose de Valderas (Spain).
(Opublikowany/published: [1/5] - P26, [1/4] - P26, [1/3] - O26, [1e] - J30 )

[1/5] - Figure/Rysunek P26 (2).
Pokazuje on: Jeszcze jedna klatka z całej serii hiszpańskich zdjęć UFO typu K7, ukazujących zjawisko soczewki magnetycznej przy pędnikach.
It illustrates: Another frame from an entire series of Spanish photos of a K7 type UFO over San Jose de Valderas (Spain).
(Opublikowany/published: [1/5] - P26/2, [1/4] - P26(2), [1/3] - O26(2) )

[1/5] - Figure/Rysunek P26 (3).
Pokazuje on: Jeszcze jedna klatka z całej serii hiszpańskich zdjęć UFO typu K7, ukazujących zjawisko soczewki magnetycznej przy pędnikach.
It illustrates: Another frame from an entire series of Spanish photos of a K7 type UFO over San Jose de Valderas (Spain).
(Opublikowany/published: [1/5] - P26/3, [1/4] - P26(3), [1/3] - O26(3) )

[1/5] - Figure/Rysunek P26 (4).
Pokazuje on: Jeszcze jedna klatka z całej serii hiszpańskich zdjęć UFO typu K7, ukazujących zjawisko soczewki magnetycznej przy pędnikach.
It illustrates: Another frame from an entire series of Spanish photos of a K7 type UFO over San Jose de Valderas (Spain).
(Opublikowany/published: [1/5] - P26/4, [1/4] - P26(4), [1/3] - O26(4) )

[1/5] - Figure/Rysunek P27 (a).
Pokazuje on: Okrągłe UFO nad Lubbock, USA, 1951 rok.
It illustrates: UFOs by C.R. Hart, Jr. above Lubbock, Texas. Disk-shaped vehicles.
(Opublikowany/published: [1/5] - P27a, [1/4] - P27(a), [1/3] - O27(a), [1e] - J33(h) )

[1/5] - Figure/Rysunek P27 (b).
Pokazuje on: UFO w kształcie buta nad Lubbock, USA, 1951 rok.
It illustrates: Shoe-shaped vehicles.
(Opublikowany/published: [1/5] - P27b, [1/4] - P27(b), [1/3] - O27(b), [1e] - J33(l) )

[1/5] - Figure/Rysunek P27 (c).
Pokazuje on: Rysunki Renato Vesco jakie wyjaśniają aerodynamikę rozwiewania na kształt buta powietrza zjonizowanego przez UFO które leci nachylone pod kątem do kierunku lotu.
It illustrates: Deductions by Renato Vesco about Lubbock photos. It proves that shoe-shaped photos simply show the trail of plasma ionised by vehicle's magnetic field.
(Opublikowany/published: [1/5] - P27c, [1/4] - P27(c), [1/3] - O27(c), [1e] - J34 )

[1/5] - Figure/Rysunek P28 (a).
Pokazuje on: Dowód jak błędne są naukowe analizy UFO - zdjęcie faktycznego UFO typu K7 z San Jose de Valderas.
It illustrates: An unjustified claim hoaxing a genuine UFO photograph. (a) an original photograph of K7 UFO spain - see Figure P26.
(Opublikowany/published: [1/5] - P28a, [1/4] - P28(a), [1/3] - O28(a), [1e] - J32(a) )

[1/5] - Figure/Rysunek P28 (b).
Pokazuje on: Komputerowa obróbka fotografii z San Jose de Valderas jaka ignorancko i zupełnie błędnie oskarża ową fotografię o fałszerstwo.
It illustrates: (b) A computer "undisputed proof" of the supposed hoax (this computer image simply reveals the course of the vehicle's main magnetic circuit).
(Opublikowany/published: [1/5] - P28b, [1/4] - P28(b), [1/3] - O28(b), [1e] - J32(b) )

[1/5] - Figure/Rysunek P29.
Pokazuje on: Grupa wehikułów UFO sfotografowanych przez teleskop Hubble, jednak zadeklarowanych przez NASA jako odległe galaktyki.
It illustrates: A NASA photograph of UFOs taken by the HUBBLE space telescope.
(Opublikowany/published: [1/5] - P29, [1/4] - P29, [1/3] - O29 )

[1/5] - Figure/Rysunek P30.
Pokazuje on: Zagospodarowanie wnętrza UFO typu K7 które dla Adama i Ewy pełniło funkcję Raju.
It illustrates: The interior of a UFO type K7.
(Opublikowany/published: [1/5] - P30, [1/4] - P30, [1/3] - O31 )

[1/5] - Figure/Rysunek P31.
Pokazuje on: Odcisk buta ludzkiego sprzed około 550 milionów lat - dowód że to nasi krewniacy UFOnauci z planety Terra rozplenili życie na Ziemi.
It illustrates: A human shoe imprint made on Earth around 550 millions years ago.
(Opublikowany/published: [1/5] - P31, [1/4] - P31, [1/3] - O32, [7/2] - B1, [8] - E2 )

[1/5] - Figure/Rysunek P32.
Pokazuje on: Twarz ludzka na Marsie sfotografowana przez amerykańską misję Vikinga.
It illustrates: Human faces on Mars.
(Opublikowany/published: [1/5] - P32, [1/4] - P32, [1/3] - O33 )




Chapter Q - volume 15 of monograph [1/5] (it is an equivalent of chapter Q from volume 14 of monograph [1/4]):

[1/5] - Figure/Rysunek Q1.
Pokazuje on: Wygląd czteropędnikowego UFO ś.p. Jana Wolskiego.
It illustrates: A four-propulsor UFO which abducted the late Jan Wolski.
(Opublikowany/published: [1/5] - Q1, [1/4] - Q1, [1/3] - Q1, [1e] - O1, [2e] - M1 )

[1/5] - Figure/Rysunek Q2 (a).
Pokazuje on: Oryginalny szkic czteropędnikowego UFO wykonany przez naocznego widza.
It illustrates: A night apearence of a four-propulsor UFO. (a) Witnesse's original sketch of this UFO.
(Opublikowany/published: [1/5] - Q2a, [1/4] - Q2(a), [1/3] - Q2(a), [1e] - O2(a), [2e] - M2(a) )

[1/5] - Figure/Rysunek Q2 (b).
Pokazuje on: Moja rekonstrukcja owego UFO ukazująca jak ono wyglądało.
It illustrates: My (Dr Jan Pajak) reconstruction of this UFO.
(Opublikowany/published: [1/5] - Q2b, [1/4] - Q2(b), [1/3] - Q2(b), [1e] - O2(b), [2e] - M2(b) )

[1/5] - Figure/Rysunek Q3.
Pokazuje on: Fotografia czteropędnikowego UFO nad Albiosc, Francja.
It illustrates: A photograph of four-propulsor UFO.
(Opublikowany/published: [1/5] - Q3, [1/4] - Q3, [1/3] - Q3, [1e] - O3, [2e] - M3 )




Chapter R - volume 15 of monograph [1/5] (it is an equivalent of chapter R from volume 14 of monograph [1/4]):

[1/5] - Figure/Rysunek R1.
Pokazuje on: Rysunek trzech UFOnautów i ich wehikułu UFO typu K3, wykonany przez 9-letniego Stanisława Masłowskiego z Wrocławia.
It illustrates: UFOnauts and their vehicle drawn by Stanisław Masłowski (9 years old).
(Opublikowany/published: [1/5] - R1, [1/4] - R1, [1/3] - R1, [1e] - N1, [2e] - N1 )

[1/5] - Figure/Rysunek R1 (w ramce).
Pokazuje on: Wygląd magnokraftu typu K3.
It illustrates: A drawing of Magnocraft type K3 in the same position as that UFO.
(Opublikowany/published: [1/5] - R1(obramowane), [1/4] - R1(framed), [1/3] - R1(obramowane), [1e] - N1(framed) )

[1/5] - Figure/Rysunek R2.
Pokazuje on: Wygląd UFOnauty z jarzącym się pasem.
It illustrates: A UFOnaut with a glowing belt.
(Opublikowany/published: [1/5] - R2, [1/4] - R2, [1/3] - R2, [1e] - N2, [2e] - N2 )

[1/5] - Figure/Rysunek R3.
Pokazuje on: Jedno z całego szeregu zdjęć błyskowych szybko lecącego UFOnauty (za wykonanie tych zdjęć policjant Jeff Greenhaw został wyrzucony z pracy ponieważ jego przełożeni zaczęli "czuć" że nie wolno im już ufać komuś kto sfotografował UFOnautę).
It illustrates: One flash picture of a UFOnaut by Jeff Greenhaw.
(Opublikowany/published: [1/5] - R3, [1/4] - R3, [1/3] - R3, [1e] - N3, [2e] - N3 )

[1/5] - Figure/Rysunek R4.
Pokazuje on: UFOnauta nazywający siebie Ausso.
It illustrates: A UFOnaut calling himself "Ausso".
(Opublikowany/published: [1/5] - R4, [1/4] - R4, [1/3] - R4, [1e] - N4, [2e] - N4 )

[1/5] - Figure/Rysunek R5.
Pokazuje on: UFOnauta przekraczający mur jak owad.
It illustrates: A UFOnaut climbing a wall like an insect (it means that a magnetic propulsion was used).
(Opublikowany/published: [1/5] - R5, [1/4] - R5, [1/3] - R5, [1e] - N5, [2e] - N5 )

[1/5] - Figure/Rysunek R6.
Pokazuje on: Jeden z 17-stu śladów kroczących UFOnauty (Wrocław, Polska) wypalonych w płytkach PWC przez pędniki znajdujące się w jego butach.
It illustrates: One of several footprint of an UFOnaut left on PVC floor.
(Opublikowany/published: [1/5] - R6, [1/4] - R6, [1/3] - R6, [1e] - N6, [2e] - N6 )

[1/5] - Figure/Rysunek R7.
Pokazuje on: Historyczny rysunek napędu osobistego (odnotuj kuliste pędniki zamocowane do pasa i epoletów tego UFOnauty).
It illustrates: A historic drawing of personal propulsion of an UFOnaut. Notice 8 spherical propulsors assembled around beld, and further two by epaulets.
(Opublikowany/published: [1/5] - R7, [1/4] - R7, [1/3] - R7 )




Chapter S - volume 15 of monograph [1/5] (it is an equivalent of chapter S from volume 14 of monograph [1/4]):

[1/5] - Figure/Rysunek S1 (a).
Pokazuje on: Wygląd zewnętrzny zestawu niezespolonego.
It illustrates: Detached configuration of two UFOs K7 type, Albuquergue. (a) The external appearence of such configuration.
(Opublikowany/published: [1/5] - S1(a), [1/4] - S1(a), [1/3] - S1(a), [1e] - L1(a), [2e] - L1(a) )

[1/5] - Figure/Rysunek S1 (b).
Pokazuje on: Przekrój pionowy zestawu niezespolonego.
It illustrates: A vertical cross-section through such a UFO.
(Opublikowany/published: [1/5] - S1(b), [1/4] - S1(b), [1/3] - S1(b), [1e] - L1(b), [2e] - L1(b) )

[1/5] - Figure/Rysunek S1 (c).
Pokazuje on: Zdjęcie pokazujące zestaw niezespolony UFO typu K7 (Alberquergue).
It illustrates: A whole photo showing the detached configuration.
(Opublikowany/published: [1/5] - S1(c), [1/4] - S1(c), [1/3] - S1(c), [1e] - L1(c), [2e] - L1(c) )

[1/5] - Figure/Rysunek S1 (d).
Pokazuje on: Powiększenie wehikułu K7 z Alberquergue pokazujące jego czarne belki.
It illustrates: Enlargement of the vehicle - it clearly shows the "black bars" running between side propulsors.
(Opublikowany/published: [1/5] - S1(d), [1/4] - S1(d), [1/3] - S1(d), [1e] - L1(d), [2e] - L1(d) )

[1/5] - Figure/Rysunek S1 (d: wersja/version 2).
Pokazuje on: Jeszcze jedno powiększenie wehikułu K7 z Alberquergue pokazujące jego tzw. "czarne belki".
It illustrates: Enlargement of the vehicle - it clearly shows the "black bars" running between side propulsors.
(Opublikowany/published: [1/5] - S1(d-2), [1/4] - S1(d-2), [1/3] - S1(d-2) )

[1/5] - Figure/Rysunek S1 (e).
Pokazuje on: Zdjęcie tego samego zestawu w chwilę później.
It illustrates: The same configuration a while later.
(Opublikowany/published: [1/5] - S1e, [1/4] - S1(e), [1/3] - S1(e), [1e] - L1(e), [2e] - L1(e) )

[1/5] - Figure/Rysunek S2 (a).
Pokazuje on: Powstawanie i przebieg tzw. "czarnych belek" w UFO o kształcie szpulki.
It illustrates: "Black bars" in a spool-shaped UFO.
(Opublikowany/published: [1/5] - S2a, [1/4] - S2(a), [1/3] - S2(a), [1e] - L2(a), [2e] - L2(a) )

[1/5] - Figure/Rysunek S2 (b).
Pokazuje on: Rysunek UFO w kształcie szpulki, Brazylia 1969 rok.
It illustrates: A reconstruction of the witness of a spool-shaped UFO type K3, Brazil, 1969.
(Opublikowany/published: [1/5] - S2b, [1/4] - S2(b), [1/3] - S2(b), [1e] - L2(b), [2e] - L2(b) )

[1/5] - Figure/Rysunek S3.
Pokazuje on: Wypalone zarysy wylotu z sześciennej kapsuły dwukomorowej UFO typu K5 (Dunedin, Nowa Zelandia).
It illustrates: A UFO's twin-chamber capsule scorched in grass, exactly as shown in Figure F5 - outer chamber flux domination.
(Opublikowany/published: [1/5] - S3, [1/4] - S3, [1/3] - S3, [1e] - L3, [2e] - L3 )

[1/5] - Figure/Rysunek S4.
Pokazuje on: Rysunek wyglądu kapsuły dwukomorowej we wznoszącym się UFO pierwszej generacji.
It illustrates: A drawing of the day-time twin chamber capsule visible in an ascending UFO, exactly as shown in Figure F5 - outer chamber flux domination.
(Opublikowany/published: [1/5] - S4, [1/4] - S4, [1/3] - S4, [1e] - L4, [2e] - L4(a), [6/2] - 17(c) )

[1/5] - Figure/Rysunek S5 (lewo).
Pokazuje on: Kolorowa fotografia kapsuły dwukomorowej u wznoszącego się UFO pierwszej generacji, oglądanej we dnie.
It illustrates: Colour photograph of a UFO capsule during daylight (inner flux prevailence).
(Opublikowany/published: [1/5] - S5(l), [1/4] - S5(l), [1/3] - S5(l), [1e] - J31 & L4(b), [2e] - L5(l), [5/3] - 23(c), [5/4] - H1(c), [6/2] - 17(e) )

[1/5] - Figure/Rysunek S5 (prawo).
Pokazuje on: Nocna fotografia kapsuły dwukomorowej wznoszącego się UFO pierwszej generacji.
It illustrates: A night photograph of a UFO twin-chamber capsule (outer flux prevailence).
(Opublikowany/published: [1/5] - S5(r), [1/4] - S5(r), [1/3] - S5(r), [1e] - L5, [2e] - L5(r), [5/3] - 23(d), [5/4] - H1(d), [6/2] - 17(d) )

[1/5] - Figure/Rysunek S6 (lewo).
Pokazuje on: Przewidywany wygląd komory oscylacyjnej magnokraftu.
It illustrates: Oscillatory Chambers seens on UFO decks. (left) The predicted appearence of such a chamber.
(Opublikowany/published: [1/5] - S6(l), [1/4] - S6(l), [1/3] - S6(l), [1e] - L6(l), [2e] - L6(l) )

[1/5] - Figure/Rysunek S6 (prawo).
Pokazuje on: Zaobserwowany w UFO wygląd komory oscylacyjnej UFO.
It illustrates: Observed appearence of a real Oscillatory Chamber from deck of a UFO.
(Opublikowany/published: [1/5] - S6(r), [1/4] - S6(r), [1/3] - S6(r), [1e] - S6(r), [2e] - L6(r) )

[1/5] - Figure/Rysunek S7.
Pokazuje on: Starożytny plan sześciennej komory oscylacyjnej pierwszej generacji, zapisany w formie tzw. "tanka" - czyli świętej ilustracji buddystów tybetańskich.
It illustrates: An ancient plan for a cubical Oscillatory Chamber of the first generation, recorded in the form of so-called "tanka" drawing of Tibetan Buddhists.
(Opublikowany/published: [1/5] - S7, [1/4] - S7, [1/3] - S7, [1e] - S7, [2e] - L7 )

[1/5] - Figure/Rysunek S7 (wersja/version 2).
Pokazuje on: Wschodni dywan z rysunkiem starożytnego schematu ośmiobocznej komory oscylacyjnej drugiej generacji.
It illustrates: An Oriental rug showing probably an ancient plan for the octagonal Oscillatory Chamber of the 2nd generation.
(Opublikowany/published: [1/5] - S7(2), [1/4] - S7(2), [1/3] - S7(2) )

[1/5] - Figure/Rysunek S8 (góra-lewo).
Pokazuje on: Wygląd wylotu z pędników UFO drugiej generacji.
It illustrates: This is how look outlets from UFO propulsors of the 2nd generation.
(Opublikowany/published: [1/5] - S8(h-l), [1/4] - S8(h-l), [1/3] - S8(h-l) )

[1/5] - Figure/Rysunek S8 (góra-prawo).
Pokazuje on: Zdjęcie wylotu z pędnika UFO drugiej generacji.
It illustrates: A photograph of an outlet from the main propulsor in a UFO of the 2nd generation.
(Opublikowany/published: [1/5] - S8(h-r), [1/4] - S8(h-r), [1/3] - S8(h-r) )

[1/5] - Figure/Rysunek S8 (dół-lewo).
Pokazuje on: Wygląd boczny kapsuły dwukomorowej 2-giej generacji.
It illustrates: The appearence of a UFO twin-chamber capsule of the 2nd generation.
(Opublikowany/published: [1/5] - S8(l-l), [1/4] - S8(l-l), [1/3] - S8(l-l) )

[1/5] - Figure/Rysunek S8 (dół-srodek).
Pokazuje on: Lot swiatła w soczewce magnetycznej.
It illustrates: Path of light in a magnetic lens.
(Opublikowany/published: [1/5] - S8(l-m), [1/4] - S8(l-m), [1/3] - S8(l-m) )

[1/5] - Figure/Rysunek S8 (dół-prawo).
Pokazuje on: Mapka miejsca wykonania zdjęcia z rysunku S8(góra-prawo).
It illustrates: A map of the area where the photo from part (top - right) was taken.
(Opublikowany/published: [1/5] - S8(l-r), [1/4] - S8(l-r), [1/3] - S8(l-r) )




Chapter T - volume 15 of monograph [1/5] (it is an equivalent of chapter T from volume 14 of monograph [1/4]):

[1/5] - Figure/Rysunek T1.
Pokazuje on: Zdjęcie telekinetycznego UFO typu K7. (odnotuj, że z powodu nieskończenie szybkiego lotu tego UFO, w czasie tylko jednego pstryknięcia ten sam wehikuł został uchwycony w dwóch miejscach naraz).
It illustrates: UFOs of the 2nd generation with telekinetic propulsors.
(Opublikowany/published: [1/5] - T1, [1/4] - T1, [1/3] - T1, [1e] - K4, [2e] - O1 )




Chapter U - volume 16 of monograph [1/5] (it is an equivalent of chapter U from volume 15 of monograph [1/4]):

[1/5] - Figure/Rysunek U1.
Pokazuje on: zdjęcie blizny na nodze po implancie identyfikacyjnym UFO.
It illustrates: a mark on the leg from a UFO identification implant.
(Opublikowany/published: [1/5] - U1, ufo.htm - #B4 )




Chapter V - volume 17 of monograph [1/5] (it is an equivalent of chapter O from volume 12 of monograph [1/4]):

[1/5] - Figure/Rysunek V1 (a).
Pokazuje on: Zdjęcia lądowisk pojedyńczych UFO - lądowisko z dwoma koncentrycznymi pierścieniami.
It illustrates: A photo of a UFO landing composed of two concentric rings.
(Opublikowany/published: [1/5] - V1(a), [1/4] - O1(a), [1/3] - P1(a), [1e] - M7(h), [2e] - K10(a), [5/3] - 31(A), [5/4] - H9(a), [6/2] - 27(a), [7/2] - A3(l-l) )

[1/5] - Figure/Rysunek V1 (b).
Pokazuje on: Zdjęcia lądowisk pojedyńczych UFO - lądowisko w kształcie pierścienia z centralnym wypaleniem.
It illustrates: A landing of K3 type UFO composed of one ring and a central scorching.
(Opublikowany/published: [1/5] - V1(b), [1/4] - O1(b), [1/3] - P1(b), [1e] - M2(h), [2e] - K10(b), [5/3] - 31(B), [5/4] - H9(b), [6/2] - 27(b), [7/2] - A3(l-m) )

[1/5] - Figure/Rysunek V1 (b - wersja/version 2).
Pokazuje on: Zdjęcia lądowisk pojedyńczych UFO - lądowisko w formie pierścienia z centralnym wypaleniem (z dziećmi stojącymi na jego obrzeżu aby ukazać jego wielkość).
It illustrates: Children standing on this UFO landing (to give some idea about its size).
(Opublikowany/published: [1/5] - V1(b-2), [1/4] - O1(b-2), [1/3] - P1(b-2), [1e] - M2(l) )

[1/5] - Figure/Rysunek V1 (c).
Pokazuje on: Zdjęcia lądowisk pojedyńczych UFO - łąka pełna lądowisk z podwójnymi pierścieniami bocznymi powstałymi podczas lądowania UFO swoją podłogą na ziemi.
It illustrates: The paddock full of UFO landings made by UFOs that landed on their bases.
(Opublikowany/published: [1/5] - V1(c), [1/4] - O1(c), [1/3] - P1(c), [2e] - K10(c), [5/3] - 31(C), [5/4] - H9(c), [6/2] - 27(c), [7/2] - A3(l-r) )

[1/5] - Figure/Rysunek V1 (d).
Pokazuje on: Zdjęcia lądowisk pojedyńczych UFO - porównanie wielkości lądowisk wypalonych przez UFO typu K4, K6 i K7.
It illustrates: A photo of landings of K4, K5, and K6 UFOs, which document the binary progression in sizes of UFOs (i.e. the fact that each bigger type of UFOs is twice as big as previous type).
(Opublikowany/published: [1/5] - V1(d), [1/4] - O1(d), [1/3] - P1(d), [1e] - M8(l), [2e] - K10(d), [5/3] - 31(D), [5/4] - H9(d), [6/2] - 27(d) )

[1/5] - Figure/Rysunek V2 (a).
Pokazuje on: Wygląd jednej celi latającego systemu magnokraftów typu K3.
It illustrates: Examples of landings of flying systems of UFOs. A single ceel of a flying system.
(Opublikowany/published: [1/5] - V2a, [1/4] - O2(a), [1/3] - P2(a), [1e] - M12(a), [5/4] - H10(a) )

[1/5] - Figure/Rysunek V2 (b).
Pokazuje on: Czterolistna koniczynka lądowiska wypalonego przez pędniki takiej pojedyńczej celi.
It illustrates: Four-Clover landing of a single cell of a flying system.
(Opublikowany/published: [1/5] - V2b, [1/4] - O2(b), [1/3] - P2(b), [1e] - M12(b), [5/4] - H10(b) )

[1/5] - Figure/Rysunek V2 (c).
Pokazuje on: Zdjęcie z samolotu lądowiska latającego systemu UFO wykonane w Roxburgh, Nowa Zelandia (odnotuj że faktycznie ma ono kształt czterolistej koniczynki).
It illustrates: An aerial view of a K3 single cell of UFOs from Roxburgh.
(Opublikowany/published: [1/5] - V2c, [1/4] - O2(c), [1/3] - P2(c), [1e] - M12(c), [5/4] - H10(c) )

[1/5] - Figure/Rysunek V2 (d).
Pokazuje on: Fotografia wykonana z ziemi tego samego lądowiska pojedyńczej celi latającego systemu z Roxburgh (także widoczny zarys w kształcie czterolistej koniczynki).
It illustrates: A closeup of the same single cell of K3 UFOs landing from Roxburgh.
(Opublikowany/published: [1/5] - V2d, [1/4] - O2(d), [1/3] - P2(d), [1e] - M12(d), [5/4] - H10(d) )

[1/5] - Figure/Rysunek V2 (d - wersja/version 2).
Pokazuje on: Fotografia z ziemi tego samego lądowiska pojedyńczej celi latającego systemu z Roxburgh (także widoczny zarys w kształcie czterolistej koniczynki). Tym razem pokazana jest zdechła owca leżąca na owym lądowisku.
It illustrates: A closeup of the same single cell of K3 UFOs landing from Roxburgh (with a dead sheep).
(Opublikowany/published: [1/5] - V2(d-2), [1/4] - O2(d-2), [1/3] - P2(d-2) )

[1/5] - Figure/Rysunek V3A(a, b).
Pokazuje on: Ilustrację zasady wykładania zboża w "kręgach zbożowych" przez pole magnetyczne latających klusterów UFO typu K6 (oryginalnie rysunek ten pokazany został jako rysunek F13 w [1/4]).
It illustrates: the principle of flattening "crop circles" by magnetic field of flying clusters of UFOs type K6. Originally this drawing is shown as Figure G13 in monograph [1/4e].
(Opublikowany/published: [1/5] - V3A(a, b), [1/4] - O3A(a, b), [1/4] - F13 )

[1/5] - Figure/Rysunek V3A(c).
Pokazuje on: Przykłady lądowisk latających klusterów UFO. (c) Lądowisko liniowego klustera UFO typu K6, Anglia (porównaj to lądowisko z rysunkiem F13 w [1/5]).
It illustrates: Landing sites flatten in crops by magnetic field of flying clusters of UFOs type K6 - means so-called "crop circles" from England. The configuration of vehicles which formed this circle is shown in Figure G17 of monograph [2e].
(Opublikowany/published: [1/5] - V3A(cl), [1/4] - O3A(cl), [1/4] - O3(d-l), [1/3] - P3(d-h), [5/3e] - G8(c)/30(c), [5/4] - H11(c), [1e] - M13h )

[1/5] - Figure/Rysunek V3A(d).
Pokazuje on: Interpretacja poszczególnych śladów udokumentowanych na zdjęciu z O3A(c) powyżej.
It illustrates: Interpretation of subsequent marks shown on the photograph from Figure V3A(c) above.
(Opublikowany/published: [1/5] - V3A(d), [1/4] - O3A(d), [5/3e] - G8(d), [1e] - M13l )

[1/5] - Figure/Rysunek V3B(a).
Pokazuje on: Przykłady lądowisk latających klusterów UFO. (a) Lądowisko liniowego klustera UFO z Anglii (porównaj ze zdjęciem z rysunku O3A(c) powyżej).
It illustrates: Landing sites flatten by flying clusters of UFOs. (a) Crop circles from England (compare this photo with photograph from Figure V3A(c) above). The configuration of vehicles which formed this circle is shown in Figure G17 of monograph [2e].
(Opublikowany/published: [1/5] - V3B(a), [1/4] - O3B(a), [1/4] - O3(d-h), [1/3] - P3(d-l), [5/3] - 30(c), [5/4] - H11(c) )

[1/5] - Figure/Rysunek V3B(b).
Pokazuje on: Przykłady lądowisk latających klusterów UFO. (b) Lądowisko liniowego klustera UFO z Anglii.
It illustrates: Landing sites flatten by flying clusters of UFOs. Crop circles from England. The configuration of vehicles which formed this circle is shown in Figure G17 of monograph [2e].
(Opublikowany/published: [1/5] - V3B(b), [1/4] - O3B(b), [1/4] - O3(c), [1/3] - P3(c), [2e] - K11(c), [5/3] - 30(c), [5/4] - H11(c), [6/2] - 28(c) )

[1/5] - Figure/Rysunek V3B(c).
Pokazuje on: Kręgi zbożowe wyłożone przez latający kluster UFO typu K6 z Anglii (porównaj to lądowisko z rysunkiem F13 w [1/5]).
It illustrates: Landing sites flatten by flying clusters of UFOs. Crop circles from K6 type of UFOs, England. The configuration of vehicles which formed this circle is shown in Figure G17 of monograph [2e].
(Opublikowany/published: [1/5] - V3B(c), [1/4] - O3B(c), [1/4] - O3(a), [1/3] - P3(a), [2e] - K11(a), [5/3] - 30(a), [5/4] - H11(a), [6/2] - 28(a) )

[1/5] - Figure/Rysunek V3B(d).
Pokazuje on: Zbliżenie zewnętrznego pierścienia w kręgu zbożowym z Ashburton, Nowa Zelandia, 1992 rok - zjęcie lotnicze pola z owym kręgiem.
It illustrates: A close up photo of the side ring in the crop circle from Ashburton, New Zealand, 1992.
(Opublikowany/published: [1/5] - V3B(d), [1/4] - O3B(d), [1/4] - O3(b-2), [1/3] - P3(b-2) )

[1/5] - Figure/Rysunek V3B(e).
Pokazuje on: Zbliżenie centralnej części w kręgu zbożowym z Ashburton, Nowa Zelandia, 1992 rok.
It illustrates: A close up photo of the center of the crop circle from Ashburton, New Zealand, 1992.
(Opublikowany/published: [1/5] - V3B(e), [1/4] - O3B(e), [1/4] - O3(b-3), [1/3] - P3(b-3) )

[1/5] - Figure/Rysunek V3B(f - zbliżenie/close-up).
Pokazuje on: Krąg zbożowy z Ashburton, Nowa Zelandia, 1992 rok - zjęcie lotnicze całego kręgu.
It illustrates: A close-up of the crop circle from Ashburton, New Zealand, 1992.
(Opublikowany/published: [1/5] - V3B(f/close-up), [1/4] - O3B(f/close-up), [1/4] - O3b-h, [1/3] - P3(b-h), [2e] - K11(b-h), [5/3] - 30(b-h), [5/4] - H11(b-h), [6/2] - 28(b-h) )

[1/5] - Figure/Rysunek V3B(f - perspektywa/distant-view).
Pokazuje on: Krąg zbożowy z Ashburton, Nowa Zelandia, 1992 rok - zjęcie lotnicze pola zbożowego z owym kręgiem.
It illustrates: An aerial photo of the crop circle from Ashburton, New Zealand, 1992.
(Opublikowany/published: [1/5] - V3B(f/distant), [1/4] - O3B(f/distant), [1/4] - O3(b-l), [1/3] - P3(b-l), [2e] - K11(b-l), [5/3] - 30(b-l), [5/4] - H3(b-l), [6/2] - 28(b-l) )

[1/5] - Figure/Rysunek V4.
Pokazuje on: Wschodnie obrzeże krateru Tapanui gdzie UFO eksplodowało w 1178 roku.
It illustrates: An eastern section of the Tapanui Crater where UFOs exploded in 1178 AD.
(Opublikowany/published: [1/5] - V4, [1/4] - O4, [1/3] - P4, [1e] - M19(l), [2e] - K7, [5/3] - 2, [5/4] - A2, [6/2] - 25, [7/2] - A4(h) )

[1/5] - Figure/Rysunek V5.
Pokazuje on: Porównanie krateru Tapanui i eksplozji Tunguskiej.
It illustrates: Similarities between the Tapanui Crater and the Tunguska explosion site.
(Opublikowany/published: [1/5] - V5, [1/4] - O5, [1/3] - P5, [1e] - M30, [2e] - K8, [5/3] - 8, [5/4] - C6, [6/2] - 26, [7/2] - A4(l) )

[1/5] - Figure/Rysunek V6 (a).
Pokazuje on: Tunel Morona-Santiago z Ekwadoru, odparowany przez UFO lecące w kierunku wschód-zachód.
It illustrates: The tunnel Morona-Santiago in Equador also evaporated by a UFO.
(Opublikowany/published: [1/5] - V6a, [1/4] - O6(a), [1/3] - P6(a), [1e] - M17, [2e] - K9(a), [5/3] - 29-3, [5/4] - H8/3, [6/2] - 24(1), [7/2] - A5(#1) )

[1/5] - Figure/Rysunek V6 (b).
Pokazuje on: Zdjęcie Cocklebiddy Cave, Australia, odparowanej przez UFO lecące w kierunku południe-północ.
It illustrates: The Cocklebiddy Cave in Australia evaporated by UFOs.
(Opublikowany/published: [1/5] - V6b, [1/4] - O6(b), [1/3] - P6(b), [1e] - M18(a), [2e] - K9(b), [5/3] - 29-1, [5/4] - H8/1, [6/2] - 24(2), [7/2] - A5(#2) )

[1/5] - Figure/Rysunek V6 (c).
Pokazuje on: Mapka ukazująca kształt i przebieg Cocklebiddy Cave z Zachodniej Australii (odparowanej przez UFO).
It illustrates: Shape and course of the Cocklebiddy Cave.
(Opublikowany/published: [1/5] - V6c, [1/4] - O6(c), [1/3] - P6(c), [1e] - M18(b), [2e] - K9(c) )

[1/5] - Figure/Rysunek V6 (d).
Pokazuje on: tunel odparowany przez UFO w Nowej Zelandii.
It illustrates: a UFO tunnel from New Zealand.
(Opublikowany/published: [1/5] - V6d, [1/4] - O6(e) )

[1/5] - Figure/Rysunek V6 (e).
Pokazuje on: Tunel nazywany "Deer Cave" (tj. "Jelenia Jaskinia") z prowincji Sarawak na Północnym Borneo, odparowany przez UFO typu K8.
It illustrates: The Deer Cave in Borneor evaporated in rocks by UFOs type K8.
(Opublikowany/published: [1/5] - V6e, [1/4] - O6(d), [1/3] - P6(d), [1e] - M18(c), [2e] - K9(d), [5/3] - 29-2, [5/4] - H8/2, [6/2] - 24(3), [7/2] - A5(#3), [8] - E3 )

[1/4] - Figure/Rysunek V6 (e - version/wersja 2).
Pokazuje on: Inne zdjęcie tunelu nazywanego "Deer Cave" (tj. "Jelenia Jaskinia") z prowincji Sarawak na Północnym Borneo, odparowany przez UFO typu K8.
It illustrates: Another photo of the Deer Cave in Borneo evaporated in rocks by UFOs type K8.
(Opublikowany/published: [1/5] - V6(e-2), [1/4] - O6(d-2), [1/3] - P6(d-2) )

[1/5] - Figure/Rysunek V7.
Pokazuje on: Ukrzyżowanie Jezusa nadzorowane przez UFOnautów. (Dlaczego UFOle tak niszczyli tego założyciela najbardziej totaliztycznej religii na Ziemi, że aż spowodowali jego ukrzyżowanie, wyjaśnione jest dokładniej np. w tomie 4 monografii [8] "Totalizm".)
It illustrates: The documentary painting portraining the crucifixtion of Jesus supervised by two UFO vehicles.
(Opublikowany/published: [1/5] - V7, [1/4] - O7, [1/3] - P7, [7/2] - B2, [8] - E1 )




Chapter W - volume 18 of monograph [1/5] (it is an equivalent of subsection A4 from volume 1 of monograph [1/4]):

[1/5] - Figure/Rysunek W1-L.
Pokazuje on: Romb wypalony w 1999 roku przed oknem mojego mieszkania w Timaru, Nowa Zelandia, przez pole magnetyczne opuszczające wylot komory oscylacyjnej UFO typu K6. Gdyby owo UFO nie było nachylone, tak aby jego podłoga ustawiła sie prostopadle do linii sił ziemskiego pola magnetycznego, zamiast rombu pędnik główny tego UFO wypaliłby na ziemi kwadrat.
It illustrates: A romboidal outlet from the inner Oscillatory Chamber of UFO type K6 scorched in grass in front of my flat in Timaru in 1999. If this UFO is not slanted to align its floor perpendicularly to force lines of Earth's magnetic field, then instead of a romb the main propulsor of this UFO would scorche a square on the ground.
(Opublikowany/published: [1/5] - W1(l), [1/4] - A2(l) )

[1/5] - Figure/Rysunek W1-R.
Pokazuje on: Liczne lądowiska UFO wypalone w trawie przed oknami mojego mieszkania na Uniwersytecie Malaya w Kuala Lumpur. UFOnauci nieustannie obserwują uważnie każde moje poruszenie. Dlatego ich niewidzialne dla oczu wehikuły oraz oni sami pozostawiają ślady swojej skrytej działalności praktycznie w każdym moim miejscu zamieszkania i w każdym miejscu pracy.
It illustrates: UFO landing sites scorched under windows of my flat at the University Malaya in Kuala Lumpur. UFOnauts continually observe every single my move. Therefore their invisible vehicles leave marks of their hidden atcivities practically in every my home and in every place of my employment.
(Opublikowany/published: [1/5] - W1(r), [1/4] - A2(r) )

[1/5] - Figure/Rysunek W2(a).
Pokazuje on: Rynek Christchurch.
It illustrates: The cental square in Christchurch.
(Opublikowany: [1/5] - W2(a), [8/2] - L1a, prophecies.htm - #G1a )

[1/5] - Figure/Rysunek W2(b).
Pokazuje on: Płytki Jezusa na rynku Christchurch.
It illustrates: Tiles of Jesus from Christchurch.
(Opublikowany: [1/5] - W2(b), [8/2] - L1b, prophecies.htm - #G1b )

[1/5] - Figure/Rysunek W3.

Pokazuje on: Herb Ratzingera (tj. biskupi herb diecezji Fryzyngi).
It illustrates: Ratzinger's coat of arms (bishop’s coat of arms from the old principality of Freising).
(Opublikowany: [1/5] - W3, [8/2] - M1, przepowiednie.htm - #F1 )




Chapter Z - volume 18 of monograph [1/5]:

[1/5] - Dr Jan Pająk.
Pokazuje on: Zdjęcie autora niniejszej monografii [1/5], wykonane na tle dziewiczego krajobrazu Nowej Zelandii.
It illustrates: Photograph of the author of monograph [1/5] "Advanced Magnetic Devices".
(Opublikowany/published: [1/5], [1/4], [1/3], [5/4], [6/2], [7/2], [8], [8/2], pajak_jan.htm - #1abc )


In order to load faster, this web page does NOT show illustrations (although one can see these illustrations if one clicks on the above underlined and/or green links to subsequent illustrations). But in "part #J" below links are provided to much slower loading web pages with "Figures" for older monograph [1/4] - which contain almost the same illustrations as this monograph [1/5] and which display these illustrations already at the stage of loading to the computer.



Part F#: Instructions:

       1. Everything on this web page that is either underlined, or displayed in a green colour, is actually a link. Thus by clicking on this link you can either see another web page or download a selected monograph.
       2. To download any monograph or Figure you just click on the green (underlined) part of the description, and then follow instructions that will appear on your screen.


Part #G: How to replicate this web page in your own computer:

       For some readers that work on problems addressed on this web page, it would be highly beneficial to have a replica of this web page together with all the illustrations, texts, links, etc., in their own computer. After all, in case of having such a replica, one can later view this web page, or print it, directly from his/her own computer, not from the Internet. Thus one becomes independent from the access to Internet in each situation when he/she wishes to have a good look at this web page or at illustrations that this page displays. Waiting for opening a web page is then also incomparably shorter than waiting for opening an Internet page. It is then also not needed to put up with all these subtle obstructions which seem to plague my web pages almost as it these are purposely sabotaged by "little green UFOnauts" of some sort. So for these readers, who wish to make a "source replica" of this web page in their own computer, below I am describing step-by-step how to accomplish this. This description reveals thoroughly how to prepare the so-called "source replica" of the web page, means a replica prepared in the programming language called "HTML" in which this web page was originally coded. Note that such a "source replica" is much better than an "image replica" that almost every browser allows to make in quite a simple way. For example it allows to gradually complete all missing components of a given web page (e.g. missing illustrations or text files) from other servers. It allows to update separately each selected component of the web page as soon as we meet in Internet their better versions. It also allows us to learn principles of web page programming, thus it can be for us a first step towards later making our own web pages. Here is the instruction of producing such a "source replica":
     #0. Ready-made source replica? (without advertising banners). One brief information before in items #1 to #8 below I explain the exact procedure of preparing for yourself a source replica of this web page. Namely, under some addresses listed in "Menu 3", such a source replica of this web page, together with all folders, source codes of web pages, samples of texts and illustration, etc., but without advertising banners, already awaits in the ZIP format, ready for downloading to your own computer. So all what you need to do in order to download it to your own computer, is to click in "Menu 1" on the menu item marked "Source replica of this page". So try to click, because this source replica may be available here (i.e. at this address) and it would be handy to have it in your own computer. In turn, when such a ZIPped source replica downloads to your computer, all what you need to do is UNZIP it onto your hard disk. After UNZIPing, it forms a separate folder in which you will find a folder named "a_pajak" with all source files, subfolders and samples of text and illustration inside, ready for the running, testing, displaying, and checking how all these work on your own computer. All what you later need to do in your spare time is to download to text folders remaining volumes of monograph [1/4], while to folder 14 download the remaining illustrations, which could not be included to the ready-made source replica because of their volume. (Note that in case you already have on your hard disk a folder named "c:\a_pajak" with my other source web pages, it is enough if you transfer all files and subfolders from this new folder "a_pajak" to the already existing one named "c:\a_pajak".) After this brief information, let us now return to this procedure of making (all by yourself) a source replica of this web page. Here it is:
     #1. Create a folder named "a_pajak" (or "archives_pajak") on your hard disk "c:". This folder is to hold this web page (and possibly also any other my web pages). To create such a folder, run a utility program named "Windows Explorer" or "My Computer", choose "Local Disk (C:)" for the "Address" in this utility program, then click on "File" in the pull-down menu from this "Windows Explorer", then click "New", finally choose the command "folder". Type the name "a_pajak" to the new folder that you created on you hard disk. Later you are to use this folder "a_pajak" for storing all my web pages, monographs, and illustrations that you wish to keep in you own computer.
     #2. Create sub-folders inside of this main folder named "a_pajak". These sub-folders are to contain subsequent kinds of texts and illustrations displayed or accessed through this web page. Here is the list of sub-folders that are used by this web page:
           flags - it contains images of flags (i.e. German, Spanish, French, Italian, Polish, and English) used on my web pages. These images of flags are contained in files named de_flag.gif, es_flag.gif, fr_flag.gif, it_flag.gif, pl_flag.gif, uk_flag.gif. Any flags scanned into "*.gif" files with the above names, can be used for this purpose.
           14 - it contains all the illustrations which are used on this web page by monographs [1/5], and were also used by the older monograph [1/4].
           15 - it contains all the illustrations which are just introduced for monographs [1/5], and were NOT used by the older monograph [1/4].
           1_5e_pdf - it contains the source text of monograph [1/5], in English, in the PDF format.
           1_5_pdf - it contains the source text of monograph [1/5], in Polish, in the PDF format.
           Optionally - if you wish to have also a complete copy of the older version [1/4] of this monograph, following sub-folders can additionally be used:
           1_4e - it contains the source text of monograph [1/4], in English, in the WORD format.
           1_4e_pdf - it contains the source text of monograph [1/4], in English, in the PDF format.
           1_4 - it contains the source text of monograph [1/4], in Polish, in the WORD format.
           1_4_pdf - it contains the source text of monograph [1/4], in Polish, in the PDF format.
           1_4_wp5 - it contains the source text of monograph [1/4], in Polish, in the Word Perfect 5.1 format.
           In order to create such sub-folders, again it is enough to shift the "Windows Explorer" inside of the folder "a_pajak" and then generate them one by one.
     #3. Save the source code of this web page in your folder "a_pajak". For this, "right click" on your mouse while pointing it any text area of this web page (e.g. pointing right here). A small menu should appear, which is to have the option "View Source". Click on this menu option, and the source code of complete this web page appears in your text editor named "Notepad". Click on the "File" pull-down menu from this "Notepad" and choose the option "Save As...". Save the source code from your "Notepad" using the name "text_1_4.htm" for the "File name" of this code, while for the "Save in" pointing at the folder "c:\a_pajak" that you created earlier. Notice that pages called via links from this page, should be saved under slightly different names, namely: "text_1_4_1.htm" for the page with illustrations (1), "text_1_4_2.htm" for the page with illustrations (2), "text_1_4_3.htm" for the page with illustrations (3). In order to save the text of (scrollable) "Menu 4", you need to firstly display it on the screen, by clicking on it from either "Menu 1" or "Menu 2", and only then you can save the source code of it under the name "menu.htm" in a manner identical as you save the source code of this web page. Also all pages called from this page via links in "Menu 1" or "Menu 2", should be saved almost identically as you save this web page, only that you use slightly different names assigned to them, e.g. names: "oscillatory_chamber.htm" for the web page on the "Oscillatory Chamber", "magnocraft.htm" for the web page on "Magnocraft", "text_1_4.htm" for the Polish version of this web page, etc.
     #4. Save illustrations. Right click separately on each illustration from this web page, then choose the option "Save Picture As". The majority of illustrations you need to save in the subfolder "14". Notice that each illustration indicates at the bottom of the screen the subfolder in which it is to be saved.
     #5. Run this web page in your computer. After you save this web page, you can run it in your own computer whenever you wish, by simple pointing at the file "text_1_4.htm" (i.e. the one with the source code of this web page) using the "Windows Explorer" for this pointing, and then double clicking at this file. (You can also run this file by pointing the "Windows Explorer" at it, and then pressing "Enter".) Pages linked with this one via hyperlinks can also be displayed through clicking on these hyperlinks while viewing this page, or can be displayed through clicking via the "Windows Explorer" at their names, means e.g. at "text_1_4.htm", "text_1_4_1.htm", "text_1_4_2.htm", "text_1_4_3.htm", "oscillatory_chamber.htm", "magnocraft.htm", "pajak_jan_uk.htm", etc.
     #6. (Optionally) remove banners. Free servers on which for the understandable reasons I display all my web sites, usually insert codes of banners to the source code of web pages that are displayed on them (frequently codes of these banners contain various irritating errors which try to make viewing my web pages quite difficult). If these banners irritate you, you can optionally cut them out from the source code of this web page, after you save this code in your own computer. To cut the banners out you need to identify their code (either by addresses referred in this code and starting from "http://...", or by seeking the comment type "banner insertion ..." which appears at the beginning and at the end of the banners' code).
     #7. (Optionally) update your replica of this web page. If someone is especially interested in descriptions contained on this web page, then it would be desirable to check in Internet every let say couple of months, whether description from this web page are updated and improved. If so, then it is worth to replace the old version of this web page with this improved version. For this, it is enough to rename the old replica kept in your computer by adding the word "old_" in front of it, and then copy from the internet a new version to store it under the original name that it has.
     #8. In case of any doubt regarding the making of such a replica of this web page, it is worth to see a separate web page that is entirely devoted to the explanation of the replication procedure of my internet pages in your own computer. This additional web page is run from "Menu 2", where it is listed under the name Replicate".


Part #H: Polish letters:

       In text of this web page in various places Polish characters (letters) may appear. Unfortunately, some servers and some browsers tend to deform the display of Polish letters, replacing them with some other character sets. In a spontaneous manner computers seem to display correctly these Polish letters only when they use Windows XP (or higher), or when their Internet Explorer is set for displaying them. (In order to set your "Internet Explorer" on the correct displaying of Polish letters, you need to click on the position "View" (i.e. "Widok" in Polish) in the pull-down menu of this browser, then you need to click onto the command "Encoding" (i.e. "Kodowanie" in Polish), finally click on "More" (i.e. "Dalsze" in Polish). In turn when the submenu "More" (i.e. "Dalsze" in Polish) opens, which contains various alphabets, you need to choose, and to click the alphabet marked "Central European (Windows)" (i.e. the "Srodkowoeuropejski (Windows)" in Polish). But if in any chance such settings do not help, just in case I would like to inform, that if in someone's computer various strange characters do appear, then this probably means that his or her computer does not display correctly Polish letters. In such a case it is good to know, that displayed characters have following meanings:
"ą" = "a" with a tail, "Ą" = "A" with a tail,
"ć" = "c" with ' above it, "Ć" = "C" with ' above it,
"ę" = "e" with a tail, "Ę" = "E" with a tail,
"ł" = "l" crossed, "Ł" = "L" crossed,
"ń" = "n" with ' above it, "Ń" = "N" with ' above it,
"ó" = "o" with ' above it (means another Polish "u"), "Ó" = "O" with ' above it (means another Polish "U")
"ś" = "s" with ' above it, "Ś" = "S" with ' above it,
"ź" = "z" with ' above it, "Ź" = "Z" with ' above it,
"ż" = "z" with a dot above it, "Ż" = "Z" with a dot above it.
       Here is the list of Polish letters that may appear in my texts:
ą ć ę ł ń ó ś ź ż (lower-case uniquely Polish letters)
a c e l n o s z z (Latin and English equivalents of lower-case uniquely Polish letters)
Ą Ć Ę Ł Ń Ó Ś Ź Ż (UPPER CASE uniquely Polish letters)
A C E L N O S X Z (Latin and English equivalents of UPPER CASE uniquely Polish letters).
       I should add here, that after I noticed very humble effects of my use of Polish letters, usually my Polish text I still write with the use of English (Latin) alphabet. This is not a big error, as the majority of Polish words anyway use the Latin alphabet only.


Part #I: Information regarding monographs [1/5]:

       (1) The monograph [1/5] is currently the most important and the most up-to-date amongst all my monographs available in the English language. It promotes the so-called totaliztic view of the world. This practically means that monograph [1/5] promotes morality, peace, truth, knowledge deprived of all prejudices and limitations, freedom in every possible area, etc. This monograph [1/5] is very special, because it summarizes all directions of my research to-date. It is much more complete and much more up-to-date than any other monograph which I published so-far, i.e. even more complete than monograph [8] about the philosophy of totalizm.
      (2) Monograph [1/5], similarly as every monograph that describes the moral and progressive philosophy named totalizm, has an extraordinary history. This history is described in subsection A4 from volume 1 of monograph [1/5]. And so, all monographs on totalizm were written in the most eastward located large Islamic country of the world (i.e. in Malaysia), but they were published in the most eastward located large Christian country of the world (i.e. in New Zealand). From that Far East, monographs on totalizm were transmitted with the speed of light through Internet connections to the most westward located large country of the world (i.e. to the USA), from where they were disseminated into the entire world. Thus one may say allegorically, that totalizm is like the lightning that flashes across the whole sky from the east to the west.
      (3) This monograph [1/5] discloses one especially bitter truth. It insists on documenting it according to the totaliztic principle of "revealing only the truth and the entire truth" - in spite that this particular truth disqualifies the monograph in eyes of many close-minded people and exposes it to ever-increasing persecution. The truth states that our planet Earth is occupied in a hidden manner by morally corrupted although technically advanced close relatives of humanity. People who had to deal with these morally degenerate relatives of humans, report back that some amongst our secret occupants are so similar to people, that if any of them would be our neighbour, our colleague from the office, our superior, or a head of our state, we would never be able to distinguish him from a normal human being. This monograph, amongst others, provides material evidence and formal proofs for the existence of this hidden occupation of humanity by such evil creatures. It also describes appearance and methods of acting of these creatures, which look very much like humans - although they are not humans at all, and which talk only good - although their actions spread exclusively evil. The present popular name for these evil relatives of humans, which in a hidden manner occupy and rob humanity since the beginning of time, is "UFOnauts". But our ancestors from the past did not know yet the term "UFOnauts", so they called these our evil relatives with other names like "devils", "Satan", "witches", "wizards", "imps", "gremlins", "Greek gods", etc. - for more details about them, about their immoral philosophy of cosmic robbers and bandits, and about their technologically highly advanced tricks (similar to these worked out by our master magician, "David Copperfield") that they constantly play on us, see subsection O8 from volume 12 of this monograph [1/5], or see the web page named ufo.htm. Of course, since this monograph discloses the evil activities of these influential and well organized robbers of humanity, one should NOT be surprised that the creatures are holding back and obstructing the dissemination of this monograph. Some amongst numerous tricks that they use to sabotage readership of this monograph, depends (amongst others) on making impossible the downloading of copies of this monograph from internet web sites on which it is offered free of charge. So if during downloading this monograph [1/5] you encounter any mysterious obstacles, which may look like just ordinary "coincident", in reality such obstacles will be an intentional sabotage caused by these evil relatives of humans. In fact, because of the continuous sabotage of this monograph, I would recommend to prepare for yourself a replica of this web page (together with complete text and illustrations which are made available through this web page) - as this is explained in "Part #I" at the end of this web page. After the reader experiences personally all these strange sabotages from our invisible evil relatives, which reveal themselves during preparation of such replicas of this web page, he/she should be able to gain the certainty that the invisible occupation of Earth by our morally decadent relatives from space is a painful fact. After all, the systematic appearance of such mysterious obstacles in a relatively simple action such as downloading this monograph [1/5] to your own computer, is one of the most illustrative proofs for the actual existence of a hidden occupation of Earth by evil parasites from UFOs. At this point it is worth to notice that in order to neutralize effects of this continuous sabotaging of monograph [1/5] by evil UFOnauts, monograph [1/5] is made also available through a number of further internet web pages (for their addresses see "Menu 3"). Thus, if something refuses to download from this web page, I would suggest to try to download it from other locations indicated in "Menu 4" or in "Menu 3".
      (4) This monograph [1/5] is the fourth edition of its predecessor, an old monograph [1/3]. (This old monograph [1/3] is published only in the Polish language version, and it is an extended and improved version of an even older English monograph [1e]. Note that the English monograph [1e] is still available to interested readers via "Menu 4" from this web site.) At this moment of time, monograph [1/5] is already translated into English, and it is in the process of being updated. This updating most probably is going to last until around beginning of 2006. Thus, volumes of monograph [1/5] are made available for English readers in their current state - independently whether they are already after the update, or still before this update. But I would NOT recommend to await with reading this monograph until the process of updating is completed. Rather opposite, I would suggest to download this monograph [1/5] to your computer immediately, and start to read it from your computer screen right now. After all, it is free of charge. In turn, in the future when you decide to return to reading of a selected part of this monograph, you then should be able to download for yourself a more updated version of it, which should be available by then.
      (5) In order to download to your computer text of any volume of monograph [1/5] listed below, or in order to examine/download any of the illustrations for this monograph, just click on the underlined name of this volume, or Figure. In turn, when you wish to install in your computer this entire web page, which could prove very helpful during your studies of this monograph [1/5], you can utilize the procedure of replication of this web page, which is described in "Part #G" at the end of the page, and also in a separate web page named "Replicate" (which is available through "Menu 2").
      (6) Not all out of the formats of monograph [1/5] listed below were possible to implement on every web site that offers [1/5]. (This is because many web sites limit their users with various physical restrictions regarding memory size and/or file size.) However, on each web site which contains this web page, monograph [1/5] is available in at least one such a format (of course, if UFOnauts have not managed to sabotage it over there yet). (Note that the most of web sites offer [1/5] in the MS WORD XP format, after compression to ZIP.) Therefore, if someone wishes to download this monograph in a specific format, then he/she should try to download it from various web sites, until he/she finds a web site that offers that particular format which he/she is seeking.
      (7) This web page presents only very condensed captions under subsequent illustrations. The complete descriptions under Figures shown here, are listed at the end of each chapter of monograph [1/5], which is illustrated by these Figures.


Part #J: Differences between old monograph [1/4] and new monographs [1/5]:

       The content of both these publications is very similar. So the main differences are just of philosophical nature. Namely, the old monograph [1/4] was written like "in secular spirit" - in spite that in volume 5 it contained, amongst others, the formal scientific proof for the existence of God. This is because it tried to explain everything on a secular and atheistic manner - means completely without recognising and indicating manifestations of continuous interventions of God in the course of human lives. So if one would try to express the leading philosophical idea of this old monograph [1/4] in one sentence, then this idea would state that God so designed laws of nature that these just by themselves sustain the operation of the universe - completely without the God's interventions. Thus, a correct description of mechanisms that rule over the fate of people is possible exclusively on the basis of laws of nature - means without the need to research, identify, and describe manifestations and methods of God's interventions into human matters.
       However, in 2007 I discovered that God continually intervenes into human matters and consistently controls these matters in such a way that they develop according to His intentions. For example, I then discovered that so-called "UFO manifestations" are simply software "simulations" carried out by God Himself (details of this God's "simulation" of UFOs and UFOnauts are explained, amongst others, in item #D2 of the totaliztic web page ufo.htm - about replies to fundamental questions about UFOnauts and UFO vehicles - e.g. do they exist, how they function, etc., in item #F3 of the totaliztic web page god.htm - about scientific and secular understanding of God, or in "part #F" of the totaliztic web page evil.htm - about origins of all evil on the Earth). Therefore, I decided then to rewrite the entire series of monographs [1/5] in such a manner that they would incorporate this shocking discovery and indicate to readers various scientific evidence for continuous God's interventions. So if in one sentence I would express the leading philosophical idea of these new monographs [1/5], then this idea would state that God intervenes in person, dynamically and continually into the operation of the universe and into human fates - so that this operation and fates run exactly into the direction that is agreeable with God's intentions. Thus a correct description of mechanisms that rule over the fate of people requires that independently from laws of nature we must also research, identify, and describe manifestations and methods of God's direct interventions into human matters. Of course, the completion of relevant research and rewriting the entire series of monographs [1/5], so that they express convincingly this new leading idea, is going to take me several years.


Here are links to a slightly older edition marked [1/4e] of the same monograph [1/5e] - i.e. links to the predecessor the present monograph [1/5e]. Note that the work on this old monograph [1/4e] was initiated in 1997, the first version of it was published on 15 January 1998, while the final version of monograph [1/4e] was made available to interested readers in 2001. In turn the first version of [1/5e] was published in 2007, while the content of it is researched, updated, and improved continually until today. Labels: The label "E" marks the web page with the English-language version of this older monograph [1/4e]. Labels "1st, 2nd, 3rd Figures" mark web pages with display all illustrations for subsequent volumes and chapters of [1/4]. The label "P" marks the web page with the Polish-language version of this older monograph [1/4]. The label "X" marks the web page with all previous formats of the English-language version of this older monograph [1/4e].

Part #K: Emails to the author of this web page:

       Current email addresses to the author of this web page, i.e. officially to Dr Eng. Jan Pajak while courteously to Prof. Dr Eng. Jan Pajak, at which readers can post possible comments, opinions, descriptions, or information which in their opinion I should learn, are provided on the web page named pajak_jan_uk.htm (for its version in the HTML language), or the web page named pajak_jan_uk.pdf (for the version of the web page "pajak_jan_uk.pdf" in safe PDF format - which safe PDF versions of further web pages by the author can also be downloaded via links from item #B1 of the web page named text_11.htm).
       The author's right for the use of courteous title of "Professor" stems from the custom that "with professors is like with generals", namely when someone is once a professor, than he or she courteously remains a professor forever. In turn the author of this web page was a professor at 4 different universities, i.e. at 3 of them, from 1 September 1992 untill 31 October 1998, as an "Associate Professor" from English-based educational system, while on one university as a (Full) "Professor" (since 1 March 2007 till 31 December 2007 - means at the last place of employment in his professional life).
       However, please notice that because of my rather chronic lack of time, I reluctantly reply to emails which contain JUST time consuming requests, while simultaneously they document a complete ignorance of their author in the topic area which I am researching.


Part #L: Copyrights © 2025 by Dr Eng. Jan Pająk:

       Copyrights © 2025 by Dr Eng. Jan Pajak. All rights reserved. The author of this web page, i.e. Dr Eng. Jan Pająk, reserves for himself all rights to internet web pages, illustrations, monographs and videos which he authorises, and also reserves for himself the intellectual property of ideas of his authorship which are presented in these publications.
* * *
If you prefer to read in Polish click on the flag below
(Jeśli preferujesz czytanie w języku polskim
kliknij na poniższą flagę)


Polish flag

Date of starting of this web page: 25 May 2007
Date of the latest updating of this web page: 18 January 2025
(Check in "Menu 3" whether there is even a more recent update!)